MOLEX

mpmPressure switch connector DIN A

Number of poles

3+earth

Contact resistance

≤4 mΩ

IP-class

IP65

Insulation class

VDE0110-1/89

Electronics

Q0: red/green LED
Q5: yellow/green LED

Model S113

 

Material in connector

Fibreglass-reinforced polyamide

Cable diameter

6-8 mm PG9

Max. cable dimension

1.5 mm²

Max. current

16 A

Nominal current

10 A

Temperature range

-40 °C to +90 °C nitrile gasket
(-40 °C to +125 °C silicone gasket)

Gasket

Nitrile profile gasket

Screw

M3x42 mm

Model E453

 

Material in connector

Fibreglass-reinforced polypropylene

Cable type

PUR black, CEI grey

Cable dimension

PUR 5x0.5 mm², CEI 5x0.75 mm²

Max. current

5 A

Temperature range

PUR: Fixed application -30 °C to +90 °C
Mobile application -5 °C to +90 °C
CEI: -5 °C to +70 °C

Gasket

Nitrile profile gasket

Screw

M3x25 mm

The connectors are supplied complete with screw and profile gasket in nitrile.

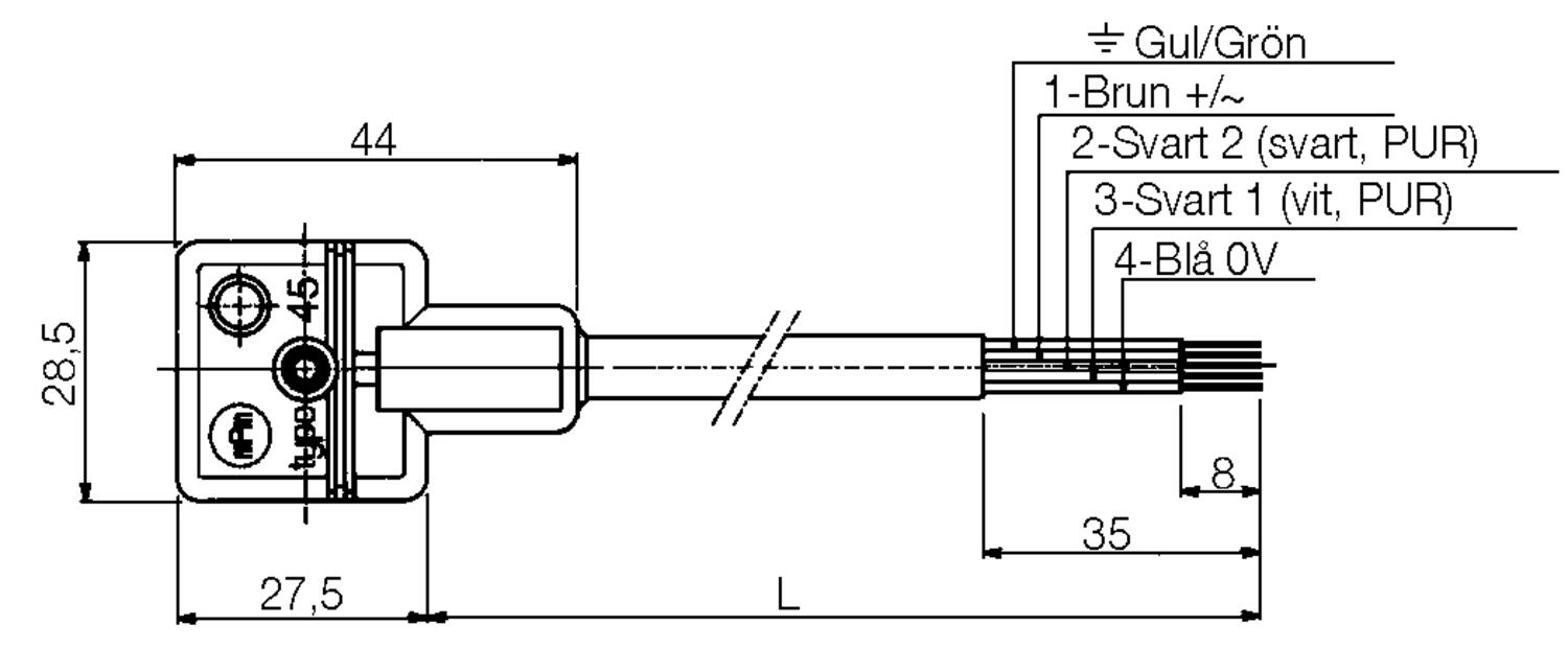
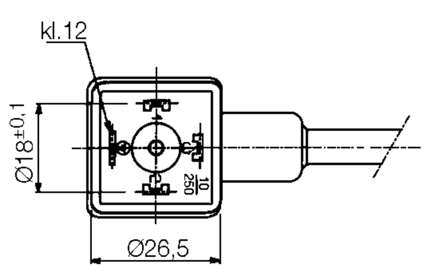
Dimensions

Standard connector

Overmoulded cable

 

Electrical

 

Order number

Order no.

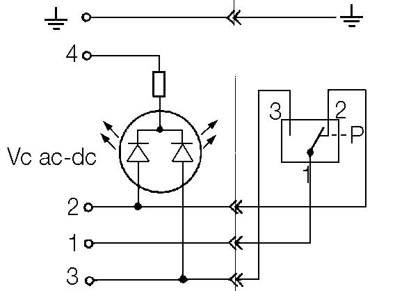
Circuit

Cable Gland

Number of poles

Earth location

Cable length

Cable type

Voltage

S11309NQ021

Q0

PG9

3+earth

-

-

-

24 V AC/DC

S11309NQ031

Q0

PG9

3+earth

-

-

-

48 V AC/DC

S11309NQ041

Q0

PG9

3+earth

-

-

-

115 V AC/DC

S11309NQ051

Q0

PG9

3+earth

-

-

-

230 V AC/DC

E453P2N30021Q01

Q0

-

3+earth

cl. 12

3 m

PUR

12 V AC/DC

E453P2N30021Q02

Q0

-

3+earth

cl. 12

3 m

PUR

24 V AC/DC

E453P2N30021Q52

Q5

-

3+earth

cl. 12

3 m

PUR

24 V AC/DC

E453P2N50021Q52

Q5

-

3+earth

cl. 12

5 m

PUR

24 V AC/DC

E453P2N50021Q55

Q5

-

3+earth

cl. 12

5 m

PUR

230 V AC/DC

 

Read more
  • Status indicator, 2 coloured LED
  • Loose connector or overmoulded cable
  • Fits all pressure switches with DIN A connector
  • EN175301-803 (DIN-43650)-A

Selected variant

Selected variant

Specifications

Cable length 3000 mm
Material Cable PUR
Circuit Q5: Green/yellow LED
Voltage AC / DC Max 24 V
IP Class IP65
Cross-Section 0.5 mm²
Color Cable Black
Contact resistance ≤4 mΩ
Color House Black
Central Material Polypropylene
LED indicator Yes
Temperature Range The Use Of -40 °C
Temperature Range For Flexible Use 90 °C
Temperature Range Flexible Use Of -5 °C
Current max 5 A
Screw size M3x29
Packing Materials NBR

Measurements and connections

Technical illustrations

Product description

Number of poles

3+earth

Contact resistance

≤4 mΩ

IP-class

IP65

Insulation class

VDE0110-1/89

Electronics

Q0: red/green LED
Q5: yellow/green LED

Model S113

 

Material in connector

Fibreglass-reinforced polyamide

Cable diameter

6-8 mm PG9

Max. cable dimension

1.5 mm²

Max. current

16 A

Nominal current

10 A

Temperature range

-40 °C to +90 °C nitrile gasket
(-40 °C to +125 °C silicone gasket)

Gasket

Nitrile profile gasket

Screw

M3x42 mm

Model E453

 

Material in connector

Fibreglass-reinforced polypropylene

Cable type

PUR black, CEI grey

Cable dimension

PUR 5x0.5 mm², CEI 5x0.75 mm²

Max. current

5 A

Temperature range

PUR: Fixed application -30 °C to +90 °C
Mobile application -5 °C to +90 °C
CEI: -5 °C to +70 °C

Gasket

Nitrile profile gasket

Screw

M3x25 mm

The connectors are supplied complete with screw and profile gasket in nitrile.

Dimensions

Standard connector

Overmoulded cable

 

Electrical

 

Order number

Order no.

Circuit

Cable Gland

Number of poles

Earth location

Cable length

Cable type

Voltage

S11309NQ021

Q0

PG9

3+earth

-

-

-

24 V AC/DC

S11309NQ031

Q0

PG9

3+earth

-

-

-

48 V AC/DC

S11309NQ041

Q0

PG9

3+earth

-

-

-

115 V AC/DC

S11309NQ051

Q0

PG9

3+earth

-

-

-

230 V AC/DC

E453P2N30021Q01

Q0

-

3+earth

cl. 12

3 m

PUR

12 V AC/DC

E453P2N30021Q02

Q0

-

3+earth

cl. 12

3 m

PUR

24 V AC/DC

E453P2N30021Q52

Q5

-

3+earth

cl. 12

3 m

PUR

24 V AC/DC

E453P2N50021Q52

Q5

-

3+earth

cl. 12

5 m

PUR

24 V AC/DC

E453P2N50021Q55

Q5

-

3+earth

cl. 12

5 m

PUR

230 V AC/DC

 

Accessories

Related products

Related

Harting PUSH-IN & ICC
Product news

New connectors products from Harting

HARTING has introduced a new Push-In connection technology that can reduce assembly times by up to 30% and improve installation flexibility. Read more!

Molex mPm valve connectors
Product news

Molex mPm valve connectors with WSOR cable

Molex mPm valve plug cables are now also available with WSOR cables. Read more!

Molex Junior Timer
Product news

Updated Molex MPM Junior Timer connector cable

Junior Timer connectors are a popular choice for magnet valve electrical quick connectors. Molex MPM Junior Timer connector cables have been on the market for a long time, but now Molex has also introduced the new Molex MPM Junior Timer connector.

spring and motor drums for moving installations
Product news

Spring and motor drums for moving installations

Our supplier Stemmann-Technik (Wabtec Corporation) offers customer-specific cable reels for various applications. The selection includes a wide range of spring and motor cable reels for different purposes. The reels are designed according to customer requirements.

Food cable
Product news

New cabling solutions for food and beverage industry applications

The food and beverage industries have placed high expectations on products and packages. OEM Automatic meets these expectations by expanding the range of its cable & connection technology product area with products developed especially for the needs of the food and beverage industry.

TransTecno gear motors
Product news

Small but very efficient gear motors

Transtecno has developed the MiniTecno product range to better meet the needs of customers using small gear motors in a wide range of industries, up to 90 Nm.

Articles Cable length Material Cable Circuit
3000 mm
PUR
Q5: Green/yellow LED
5000 mm
PUR
Q5: Green/yellow LED

Selected variant

Select a variant in the list

Contact us
Please contact us for more information.
Send e-mail
Do you need help?
Logo

Cookies on oem.ee

Cookies help us improve your experience with us, so in order to be able to handle login information, offer you personalised content and for basic functionality of this website, we use some cookies.

Functional cookies

These cookies are necessary for the website to work and can not be turned off in our systems. They are usually used only in response to actions you have taken in connection with a service request, for example when setting personal preferences, logging in or filling out a form.

Analytics cookies

These cookies allow us to count the number of visits and traffic sources so that we can measure and improve our website performance. They help us know which pages are more or less popular and how visitors navigate around the site. The information that these cookies collect is aggregated and therefore completely anonymous. If you do not allow these cookies, we do not know when you have visited our website.

Marketing cookies

These cookies can be added by our partners. They can use them to create a profile of you, based on your interests, to show you more relevant information. They do not store any personal information - only information about your browser and device. If you do not accept these cookies, you will have a more general and less customized user experience.