CROUZET CONTROL

3 phase over/under voltage relay M3US

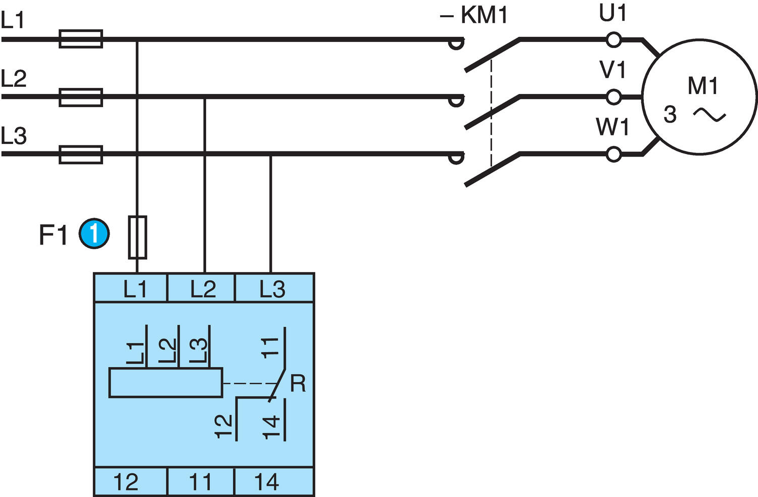
Control relay for monitoring 3-phase networks without neutral. Adjustable switch at the front for adjustment of correct voltage in 3-phase networks. The switch's position is not registered until the operating voltage is switched on. If the switch position is changed during operation, all LEDs (LED indications) begin to flash but the unit will continue to function normally with the voltage that was set at the most recent power connection. Monitors under-voltage between the phases that can be set between -2 % and -20 % of Un (measurement voltage) and over-voltage that can be set between 2 % and 20 % of Un. Time delay Tt prevents relay change-over in the event of temporary disturbances and is adjustable between 0.3-30 s. Green LED (Un) indicates supply voltage OK. Yellow LED (R) indicates active relay output.

 

Over-/under-voltage

1: Over-voltage

2: Hysteresis

3: Under-voltage

4: L1, L2, L3

5: Relay

6: Limit value with time delay for over-/under-voltage

 

 

Read more
  • Phase control of line voltage
  • Wide range input voltage
  • 17.5 mm cabinet with DIN rail
  • LED indication

Selected variant

Control relay

M3US VOLTAGE CONTROL RELAY

Art:

Selected variant

Specifications

Approvals CE, CSA, RoHS, UL
Breaking capacity 5A, 250V AC/DC
IP Class Connection IP20
IP Class Housing IP30
Lower Limit -2 - -20%
Output 2x Relay
Selection of rated voltage 208, 220, 380, 400, 415, 440, 480V
Supply voltage 3 x 208-480V AC
Temperature range bearing, from -40 °C
Temperature range bearing, to 70 °C
Temperature range from -20 °C
Temperature range to 50 °C
Time Delay On Crossing The Threshold 0,3-30s
Time Delay Start 0.5 s
Upper Limit 2 - 20%
Weight 80 g

Measurements and connections

Technical illustrations

Product description

Control relay for monitoring 3-phase networks without neutral. Adjustable switch at the front for adjustment of correct voltage in 3-phase networks. The switch's position is not registered until the operating voltage is switched on. If the switch position is changed during operation, all LEDs (LED indications) begin to flash but the unit will continue to function normally with the voltage that was set at the most recent power connection. Monitors under-voltage between the phases that can be set between -2 % and -20 % of Un (measurement voltage) and over-voltage that can be set between 2 % and 20 % of Un. Time delay Tt prevents relay change-over in the event of temporary disturbances and is adjustable between 0.3-30 s. Green LED (Un) indicates supply voltage OK. Yellow LED (R) indicates active relay output.

 

Over-/under-voltage

1: Over-voltage

2: Hysteresis

3: Under-voltage

4: L1, L2, L3

5: Relay

6: Limit value with time delay for over-/under-voltage

 

 

Accessories

Related

Contact us
Please contact us for more information.
Send e-mail
Do you need help?
Logo

Cookies on oem.ee

Cookies help us improve your experience with us, so in order to be able to handle login information, offer you personalised content and for basic functionality of this website, we use some cookies.

Functional cookies

These cookies are necessary for the website to work and can not be turned off in our systems. They are usually used only in response to actions you have taken in connection with a service request, for example when setting personal preferences, logging in or filling out a form.

Analytics cookies

These cookies allow us to count the number of visits and traffic sources so that we can measure and improve our website performance. They help us know which pages are more or less popular and how visitors navigate around the site. The information that these cookies collect is aggregated and therefore completely anonymous. If you do not allow these cookies, we do not know when you have visited our website.

Marketing cookies

These cookies can be added by our partners. They can use them to create a profile of you, based on your interests, to show you more relevant information. They do not store any personal information - only information about your browser and device. If you do not accept these cookies, you will have a more general and less customized user experience.