DATASENSING
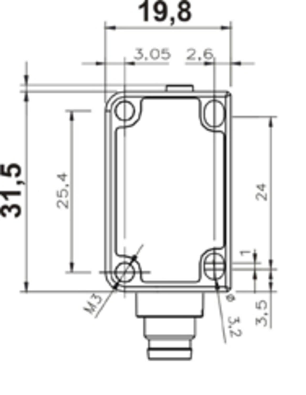
The S100 series, with standard case dimensions of only 20 x 32 x 12mm, sets a new benchmark for miniature photoelectric sensors with several distinctive features. The sensors offer four mounting holes, two threaded holes on the front side and two slotted holes on the back, making it a universal solution, suitable in all layouts and applications.
The installation of the S100 photoelectric sensor is simple and fast because there is no trimmer or push-buttons to adjust, also guaranteeing an anti-tampering function.
All standard optic functions are available:
• Through beam at 12 m
• Retroreflective at 7 m and Polarized at 5,5 m and 3 m
• Diffuse proximity at 30 cm and 50 cm
• Fixed focus at 70 mm and Background suppression at 100 mm
All models are provided with M8 connector or 2m embedded cable, with PNP, NPN or IO-link outputs.
An external input can be used to select Light/Dark mode or even set the distance in the Background Suppression model.
FEATURES & BENEFITS
• Cost saving, for the very competitive price
• Space saving, for the miniature dimensions and universal mounting
• Time saving, for the quick mechanical and electrical installation without settings
• Now featuring IO-link versions or selected configurations
APPLICATIONS
• Packaging and packing machines
• Conveyor and sorting lines
• Warehousing and logistics plants
| Approvals | CE, UL |
|---|---|
| Dimension (mm) | 32 x 20 x 12 |
| Distance Max | 7000 mm |
| Distance Min | 0 mm |
| Electrical connection | M8 4 pole connector |
| Function | Dark On/Light On |
| IP Class | IP67 |
| LED indicator | Yes |
| Lens material | PC, PMMA |
| Light type | IR LED |
| Material of body | ABS plastic |
| Output | PNP |
| Output current max | 0.1 A |
| Photocell technology | Retro reflective |
|---|---|
| Power consumption max | 0.03 A |
| Reaction time | 1 ms |
| Sensitivity setting | No |
| Supply voltage | 10-30 V DC |
| Temperature range bearing, from | -40 °C |
| Temperature range bearing, to | 70 °C |
| Temperature range from | -25 °C |
| Temperature range to | 55 °C |
| Type of light | LED |
| Weight | 10 g |
The S100 series, with standard case dimensions of only 20 x 32 x 12mm, sets a new benchmark for miniature photoelectric sensors with several distinctive features. The sensors offer four mounting holes, two threaded holes on the front side and two slotted holes on the back, making it a universal solution, suitable in all layouts and applications.
The installation of the S100 photoelectric sensor is simple and fast because there is no trimmer or push-buttons to adjust, also guaranteeing an anti-tampering function.
All standard optic functions are available:
• Through beam at 12 m
• Retroreflective at 7 m and Polarized at 5,5 m and 3 m
• Diffuse proximity at 30 cm and 50 cm
• Fixed focus at 70 mm and Background suppression at 100 mm
All models are provided with M8 connector or 2m embedded cable, with PNP, NPN or IO-link outputs.
An external input can be used to select Light/Dark mode or even set the distance in the Background Suppression model.
FEATURES & BENEFITS
• Cost saving, for the very competitive price
• Space saving, for the miniature dimensions and universal mounting
• Time saving, for the quick mechanical and electrical installation without settings
• Now featuring IO-link versions or selected configurations
APPLICATIONS
• Packaging and packing machines
• Conveyor and sorting lines
• Warehousing and logistics plants
Transtecno has developed the MiniTecno product range to better meet the needs of customers using small gear motors in a wide range of industries, up to 90 Nm.
WIKA's hygienic products take into account the high hygiene, cleaning, and durability requirements of the food and pharmaceutical industries. Read more!
Molex mPm valve plug cables are now also available with WSOR cables. Read more!
HARTING has introduced a new Push-In connection technology that can reduce assembly times by up to 30% and improve installation flexibility. Read more!
Constantly evolving applications place ever greater demands on user interfaces. A display for presenting information on the device itself is usually the most natural choice. Read more!
Comprising three parts, BoVersa can be extensively customized in terms of materials, such as metal and plastic, and colors. It is also easy to integrate various stylish display and keyboard solutions.
|
|
|
|
|
|
||
|---|---|---|---|---|---|---|
|
|
|
|
|
|
||
|
|
|
|
|
|
||
|
|
|
|
|
|
||
|
|
|
|
|
|
||
|
|
|
|
|
|
||
|
|
|
|
|
|
| Articles | Cable length | Distance Max | Distance Min | Electrical connection | Lens material | Light type | Photocell technology | Reaction time | Weight | ||
|---|---|---|---|---|---|---|---|---|---|---|---|
|
FOTOCELL REFLEKTOR 8M CONTACT
Art:
S100-PR-5-A00-PK
Copied
|
|
7000 mm
|
0 mm
|
M8 4 pole connector
|
PC, PMMA
|
IR LED
|
Retro reflective
|
1 ms
|
10 g
|
|
|
|
FOTOCELL REFLEKTOR 8M, CABLE
Art:
S100-PR-2-A00-PK
Copied
|
2000 mm
|
7000 mm
|
0 mm
|
Cable 2 m
|
PC, PMMA
|
IR LED
|
Retro reflective
|
1 ms
|
50 g
|
|
|
|
FOTOCELL POL.REFLEKTOR 2M, CONTACT
Art:
S100-PR-5-B00-PK
Copied
|
|
3000 mm
|
0 mm
|
M8 4 pole connector
|
PC, PMMA
|
Red LED
|
Polorised retro reflective
|
1 ms
|
10 g
|
|
|
|
FOTOCELL POL.REFLEKTOR 2M, CABLE
Art:
S100-PR-2-B00-PK
Copied
|
2000 mm
|
3000 mm
|
0 mm
|
Cable 2 m
|
PC, PMMA
|
Red LED
|
Polorised retro reflective
|
1 ms
|
50 g
|
|
|
|
FOTOCELL POL.REFLEKTOR 5M, CONTACT
Art:
S100-PR-5-B10-PK
Copied
|
|
5500 mm
|
0 mm
|
M8 4 pole connector
|
PC, PMMA
|
Red LED
|
Polorised retro reflective
|
1 ms
|
10 g
|
|
|
|
FOTOCELL POL.REFLEKTOR 5M CABLE
Art:
S100-PR-2-B10-PK
Copied
|
2000 mm
|
5500 mm
|
0 mm
|
Cable 2 m
|
PC, PMMA
|
Red LED
|
Polorised retro reflective
|
1 ms
|
50 g
|
|
|
|
FOTOCELL DIFFUSE 300MM CONNECTOR
Art:
S100-PR-5-C00-PK
Copied
|
|
300 mm
|
0 mm
|
M8 4 pole connector
|
PC, PMMA
|
Red LED
|
Diffuse proximity
|
1 ms
|
10 g
|
|
|
|
PHOTOSENSOR DIFFUSE 300MM CABLE
Art:
S100-PR-2-C00-PK
Copied
|
2000 mm
|
300 mm
|
0 mm
|
Cable 2 m
|
PC, PMMA
|
Red LED
|
Diffuse proximity
|
1 ms
|
50 g
|
|
|
|
FOTOCELL DIFFUSE 500MM CONNECTOR
Art:
S100-PR-5-C10-PK
Copied
|
|
500 mm
|
0 mm
|
M8 4 pole connector
|
PC, PMMA
|
Red LED
|
Diffuse proximity
|
1 ms
|
10 g
|
|
|
|
FOTOCELL DIFFUSE 500MM CABLE
Art:
S100-PR-2-C10-PK
Copied
|
2000 mm
|
500 mm
|
0 mm
|
Cable 2 m
|
PC, PMMA
|
Red LED
|
Diffuse proximity
|
1 ms
|
50 g
|
|
|
|
FOTOCELL FIXED FOCUS 70MM CONNECTOR
Art:
S100-PR-5-D00-PK
Copied
|
|
70 mm
|
0 mm
|
M8 4 pole connector
|
PMMA, PC
|
Red LED
|
Fixed focus
|
1 ms
|
10 g
|
|
|
|
FOTOCELL FIXED FOCUS 70MM CABLE
Art:
S100-PR-2-D00-PK
Copied
|
2000 mm
|
70 mm
|
0 mm
|
Cable 2 m
|
PMMA, PC
|
Red LED
|
Fixed focus
|
1 ms
|
50 g
|
|
|
|
FOTOCELL THROUGH BEAM 12M, CONNECTOR
Art:
S100-PR-5-FG00-PK
Copied
|
|
12000 mm
|
0 mm
|
M8 4 pole connector
|
PC, PMMA
|
IR LED
|
Transmitter / receiver
|
2 ms
|
10 g
|
|
|
|
FOTOCELL THROUGH BEAM 12M, CABLE
Art:
S100-PR-2-FG00-PK
Copied
|
2000 mm
|
12000 mm
|
0 mm
|
Cable 2 m
|
PC, PMMA
|
IR LED
|
Transmitter / receiver
|
2 ms
|
50 g
|
|
|
|
FOTOCELL BGS 100MM CONTACT
Art:
S100-PR-5-M00-PH
Copied
|
|
100 mm
|
30 mm
|
M8 4 pole connector
|
PC, PMMA
|
Red LED
|
Background suppression
|
1 ms
|
10 g
|
|
|
|
FOTOCELL BGS 100MM CABLE
Art:
S100-PR-2-M00-PH
Copied
|
2000 mm
|
100 mm
|
30 mm
|
Cable 2 m
|
PC, PMMA
|
Red LED
|
Background suppression
|
1 ms
|
50 g
|
|
Select a variant in the list