DATASENSING

Datalogic - SR23 - Fork sensor

 

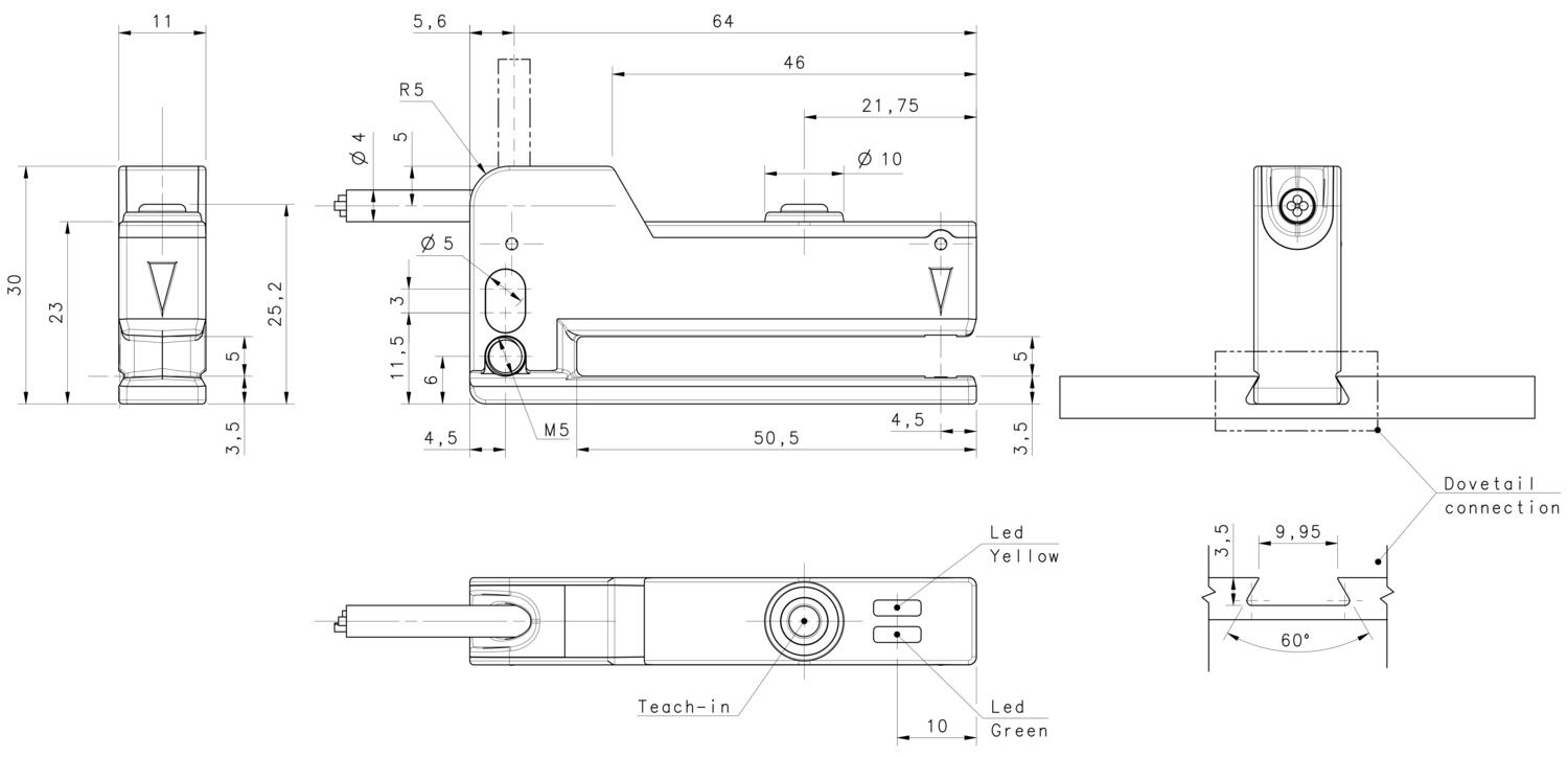
The SR23 series, with 50 x 5mm slot size, are designed for the detection of normal labels, as well as thick booklet and multi-layer ones, used increasingly in the food and pharmaceutical industries. The series distinguishes itself through its fast 40µs response time and its switching frequency reaching 12kHz, and offers an easy static or dynamic procedure setting, via SET push-button or remote input.

 

The emission is infrared LED with a narrow light beam, allowing resolutions up to 0,5mm. All models are characterised by a compact metallic housing and by a M5 threaded hole, a Ø5x8 slotted hole, and a dovetail guide. 2m embedded cable or M8 4-pole connector versions are available, and with NPN or PNP outputs.

 

FEATURES & BENEFITS

 

• 50 x 5mm slot size: normal labels, booklet and multi-layer labels

• Teach-in or dynamics setting

• 12 kHz switching frequency for high detection repeatability

• Compact housing suitable for application with reduced spaces

• 0.5mm minimum size label/gap for high detection reliability for a precise reading

 

APPLICATIONS

 

• Processing and Packaging machinery

• Automatic labellers

• Print and apply systems

 

 

Read more
  • 50 x 5mm fork gap
  • 12 kHz frequency
  • Dynamic or static setting
  • M8 connector or embedded cable

Selected variant

Selected variant

Specifications

Approvals CE, UL
Dimension (mm) 30 x 63 x 10
Electrical connection Cable 2 m
Fork Depth 50 mm
Fork gap 5 mm
Frequency 12000 Hz
IP Class IP65
LED indicator Yes
Lens material PC
Light type IR LED
Material of body Aluminium, PBT
Multi Label Reading Yes
Output PNP
Output current max 0.1 A
Photocell technology Label fork
Power consumption max 0.03 A
Reaction time 0.04 ms
Supply voltage 10-30 V DC
Temperature range from -20 °C
Temperature range to 55 °C
Weight 85 g

Product description

 

The SR23 series, with 50 x 5mm slot size, are designed for the detection of normal labels, as well as thick booklet and multi-layer ones, used increasingly in the food and pharmaceutical industries. The series distinguishes itself through its fast 40µs response time and its switching frequency reaching 12kHz, and offers an easy static or dynamic procedure setting, via SET push-button or remote input.

 

The emission is infrared LED with a narrow light beam, allowing resolutions up to 0,5mm. All models are characterised by a compact metallic housing and by a M5 threaded hole, a Ø5x8 slotted hole, and a dovetail guide. 2m embedded cable or M8 4-pole connector versions are available, and with NPN or PNP outputs.

 

FEATURES & BENEFITS

 

• 50 x 5mm slot size: normal labels, booklet and multi-layer labels

• Teach-in or dynamics setting

• 12 kHz switching frequency for high detection repeatability

• Compact housing suitable for application with reduced spaces

• 0.5mm minimum size label/gap for high detection reliability for a precise reading

 

APPLICATIONS

 

• Processing and Packaging machinery

• Automatic labellers

• Print and apply systems

 

 

Accessories

Related products

Related

Articles Electrical connection Output Weight
Cable 2 m
PNP
85 g
Cable 2 m
NPN
85 g
M8 4 pole connector
PNP
46 g
M8 4 pole connector
NPN
46 g

Selected variant

Select a variant in the list

Contact us
Please contact us for more information.
Send e-mail
Do you need help?
Logo

Cookies on oem.ee

Cookies help us improve your experience with us, so in order to be able to handle login information, offer you personalised content and for basic functionality of this website, we use some cookies.

Functional cookies

These cookies are necessary for the website to work and can not be turned off in our systems. They are usually used only in response to actions you have taken in connection with a service request, for example when setting personal preferences, logging in or filling out a form.

Analytics cookies

These cookies allow us to count the number of visits and traffic sources so that we can measure and improve our website performance. They help us know which pages are more or less popular and how visitors navigate around the site. The information that these cookies collect is aggregated and therefore completely anonymous. If you do not allow these cookies, we do not know when you have visited our website.

Marketing cookies

These cookies can be added by our partners. They can use them to create a profile of you, based on your interests, to show you more relevant information. They do not store any personal information - only information about your browser and device. If you do not accept these cookies, you will have a more general and less customized user experience.