BEI SENSORS

ACW4 - CANopen absolute sensor, non-contacting, single-turn

Ordering reference

Order number

 

Type

Supply voltage

Output

Code

Resolution

Connection

Connection orientation

ACW4:
Absolute single-turn

00:
Modular

P: :
5...30 V DC

BB:
CANopen

B :
Binary

12:
4096 cycles/turn (12-bit.)
(2
12 )

BB:
PVC cable+
DB9 CANopen

R020 :
2m cable

Ex. ACW4_

00 //

P

BB

V

// 12 //

BB

R020

 

 

 

Read more
  • Magnetic CANopen absolute single-turn modular sensor
  • Resolution 12bit
  • Robust design, shock and vibration resistant
  • IP67, IP69K available

Selected variant

BeiSensors_ACW4.tif

Non-contacting absolute sensor, CANopen

Art:

Selected variant

Specifications

Sensor type Absolute
Housing diametre 52 mm
Resolution Max. 12 bit
Connection Thread Cable
IP Class IP67
Supply Voltage DC Min 5 V DC
Supply Voltage DC Max 30 V DC
Temperature range from -40 °C
Temperature range to 85 °C
Output CANopen
Version Singleturn

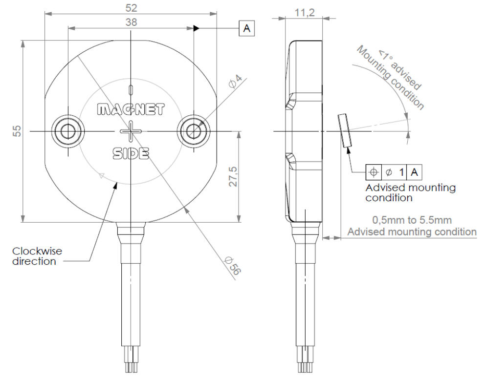
Measurements and connections

Technical illustrations

Product description

Ordering reference

Order number

 

Type

Supply voltage

Output

Code

Resolution

Connection

Connection orientation

ACW4:
Absolute single-turn

00:
Modular

P: :
5...30 V DC

BB:
CANopen

B :
Binary

12:
4096 cycles/turn (12-bit.)
(2
12 )

BB:
PVC cable+
DB9 CANopen

R020 :
2m cable

Ex. ACW4_

00 //

P

BB

V

// 12 //

BB

R020

 

 

 

Accessories

Related products

Related

Contact us
Please contact us for more information.
Send e-mail
Do you need help?
Logo

Cookies on oem.ee

Cookies help us improve your experience with us, so in order to be able to handle login information, offer you personalised content and for basic functionality of this website, we use some cookies.

Functional cookies

These cookies are necessary for the website to work and can not be turned off in our systems. They are usually used only in response to actions you have taken in connection with a service request, for example when setting personal preferences, logging in or filling out a form.

Analytics cookies

These cookies allow us to count the number of visits and traffic sources so that we can measure and improve our website performance. They help us know which pages are more or less popular and how visitors navigate around the site. The information that these cookies collect is aggregated and therefore completely anonymous. If you do not allow these cookies, we do not know when you have visited our website.

Marketing cookies

These cookies can be added by our partners. They can use them to create a profile of you, based on your interests, to show you more relevant information. They do not store any personal information - only information about your browser and device. If you do not accept these cookies, you will have a more general and less customized user experience.