CROUZET CONTROL
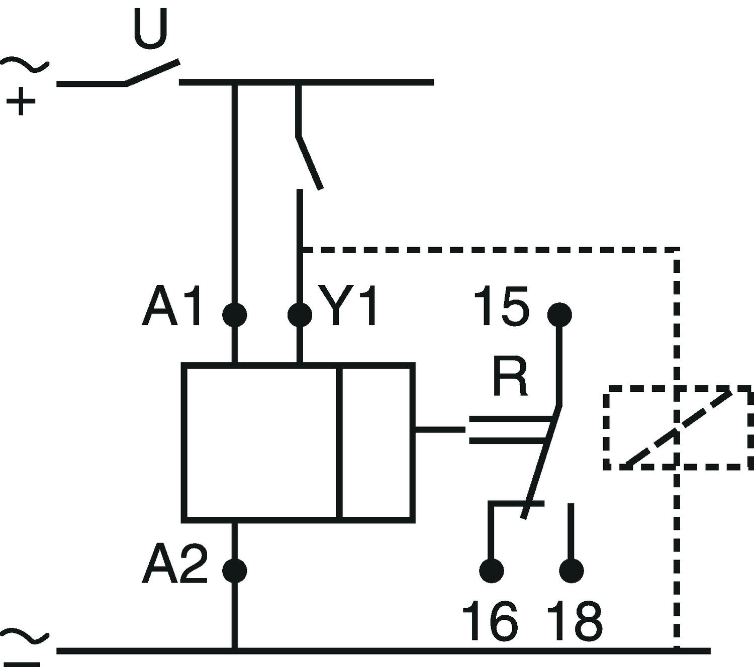
Syr-line series timer relays are for DIN rail mount with screw terminal connections in a slimline 17.5mm wide housing.
The single relay ouput versions have a high power 16A rated changeover contact ideal for switching bigger loads. The dual relay output versions have 2 x 8A rated changeover contacts with the option to set one as timed or instantaneous.
Time range is adjustable (in sub ranges) from as little as 0.5 seconds to 240 hours (10 days) using a selector switch and potentiometer on the front face of the device.
All supply voltage requirements are covered by a wide range 12-240V ac/dc.
There are mono function versions available with A function (delay on make) and L function (asymetrical recyling).
The multifunction versions have 12 of the most common functions plus 2 new function created for this range which are set by a selector switch on the front face of the device. The available timing functions are defined by a set of letter codes that is common across the whole Crouzet range.
There are also 2 LED indicators that give a complete visualisation of the status of the timer and it's ouputs at all times.
Approvals | CCC, CE, REACH, RoHS, UL |
---|---|
Breaking capacity | 4000 VA / 90W @25°C |
Cable Area Without Sleeve | 1 x 0,5-3,3 mm², 2 x 0,5-1,5 mm² |
Function | A - Delay on energisation, Ac - Timing after closing and opening of control contact, At - Timing on energisation with memory, B - Timing on impulse (one shot), C - Timing after impulse, D - Symmetrical flashing, Di - Symmetrical flashing, H - Timing on energisation - pulse output, Ht - Delay on energisation with memory, N - Safe-guard, TL - Impulse relay, Tt - Timed impulse relay |
IP Class Connection | IP20 |
IP Class Housing | IP40 |
Mounting | DIN rail |
Multifunction | Yes |
Output | Relay 1 pole C/O |
Power Consumption | 1.5 W |
Repeatability | 0.5 % |
Response Closing | 30 ms |
---|---|
Response From Stroke | 120 ms |
Supply voltage | 12-240V AC/DC |
Switching Current Max | 16 A |
Temperature range bearing, from | -40 °C |
Temperature range bearing, to | 70 °C |
Temperature range from | -20 °C |
Temperature range to | 60 °C |
Time Range | 0,5-10 s, 0,05-1 min, 0,5-10 min, 0,05-1 h, 0,5-10 h, 0,05-1 d, 0,5-10 d |
Weight | 70 g |
Syr-line series timer relays are for DIN rail mount with screw terminal connections in a slimline 17.5mm wide housing.
The single relay ouput versions have a high power 16A rated changeover contact ideal for switching bigger loads. The dual relay output versions have 2 x 8A rated changeover contacts with the option to set one as timed or instantaneous.
Time range is adjustable (in sub ranges) from as little as 0.5 seconds to 240 hours (10 days) using a selector switch and potentiometer on the front face of the device.
All supply voltage requirements are covered by a wide range 12-240V ac/dc.
There are mono function versions available with A function (delay on make) and L function (asymetrical recyling).
The multifunction versions have 12 of the most common functions plus 2 new function created for this range which are set by a selector switch on the front face of the device. The available timing functions are defined by a set of letter codes that is common across the whole Crouzet range.
There are also 2 LED indicators that give a complete visualisation of the status of the timer and it's ouputs at all times.
ComatReleco has launched a new series of push-in sockets specifically designed for time and space savings.
Crouzet has honoured the strong Syrelec time relay traditions established in the 1980s, first by Cronos and Cronos 2 series. Now, Crouzet presents the compact and extremely versatile Syr-Line series.
Can you distinguish between a bifurcated contact and a normal contact at a glance?
The need for flexible, modular systems shapes machine and system engineering. Decentralization of the system components has proven to be an important factor for success.
The PIANO PIC series is designed for applications that require reliable DIN rail power supplies, which are focused to deliver the most widely required customer functionalities. Our PIC units offer this simplicity without making compromises on PULS’ renowned qualities; efficiency, service lifetime, reliability and size.
The new WADI product family by Jacob features a completely redesigned gland rubber, which allows extensive sealing and tightening area.
|
|
|
|
|
||
---|---|---|---|---|---|---|
|
|
|
|
|
||
|
|
|
|
|
||
|
|
|
|
|
||
|
|
|
|
|
||
|
|
|
|
|
||
|
|
|
|
|
Articles | Breaking capacity | Function | Multifunction | Output | Switching Current Max | ||
---|---|---|---|---|---|---|---|
![]()
Syr-Line Timer BM1R Multifunction Relay 16A 12-240V ac/dc
Art:
BM1R16MV1
Copied
|
4000 VA / 90W @25°C
|
A - Delay on energisation, Ac - Timing after closing and opening of control contact, At - Timing on energisation with memory, B - Timing on impulse (one shot), C - Timing after impulse, D - Symmetrical flashing, Di - Symmetrical flashing, H - Timing on energisation - pulse output, Ht - Delay on energisation with memory, N - Safe-guard, TL - Impulse relay, Tt - Timed impulse relay
|
Yes
|
Relay 1 pole C/O
|
16 A
|
| |
![]()
Syr-Line Timer BM2R Multifunction Relay 2x8A 12-240V ac/dc
Art:
BM2R08MV1
Copied
|
2000 VA / 80W @25°C
|
A - Delay on energisation, Ac - Timing after closing and opening of control contact, At - Timing on energisation with memory, B - Timing on impulse (one shot), C - Timing after impulse, D - Symmetrical flashing, Di - Symmetrical flashing, H - Timing on energisation - pulse output, Ht - Delay on energisation with memory, N - Safe-guard, TL - Impulse relay, Tt - Timed impulse relay
|
Yes
|
Relay 2 pole C/O
|
8 A
|
| |
![]()
Syr-Line Timer BA1R Delay On Relay 16A 12-240V ac/dc
Art:
BA1R16MV1
Copied
|
4000 VA / 90W @25°C
|
A - Delay on energisation, At - Timing on energisation with memory
|
No
|
Relay 1 pole C/O
|
16 A
|
| |
![]()
Syr-Line Timer BA2R Delay On Relay 2x8A 12-240V ac/dc
Art:
BA2R08MV1
Copied
|
2000 VA / 80W @25°C
|
A - Delay on energisation, At - Timing on energisation with memory
|
No
|
Relay 2 pole C/O
|
8 A
|
| |
![]()
Syr-Line Timer BL1R Recycling Relay 16A 12-240V ac/dc
Art:
BL1R16MV1
Copied
|
4000 VA / 90W @25°C
|
L - Asymmetrical flashing, Li - Asymmetrical flashing
|
No
|
Relay 1 pole C/O
|
16 A
|
| |
![]()
Syr-Line Timer BL2R Recycling Relay 2x8A 12-240V ac/dc
Art:
BL2R08MV1
Copied
|
2000 VA / 80W @25°C
|
L - Asymmetrical flashing, Li - Asymmetrical flashing
|
No
|
Relay 2 pole C/O
|
8 A
|
|
Select a variant in the list