CASTELL
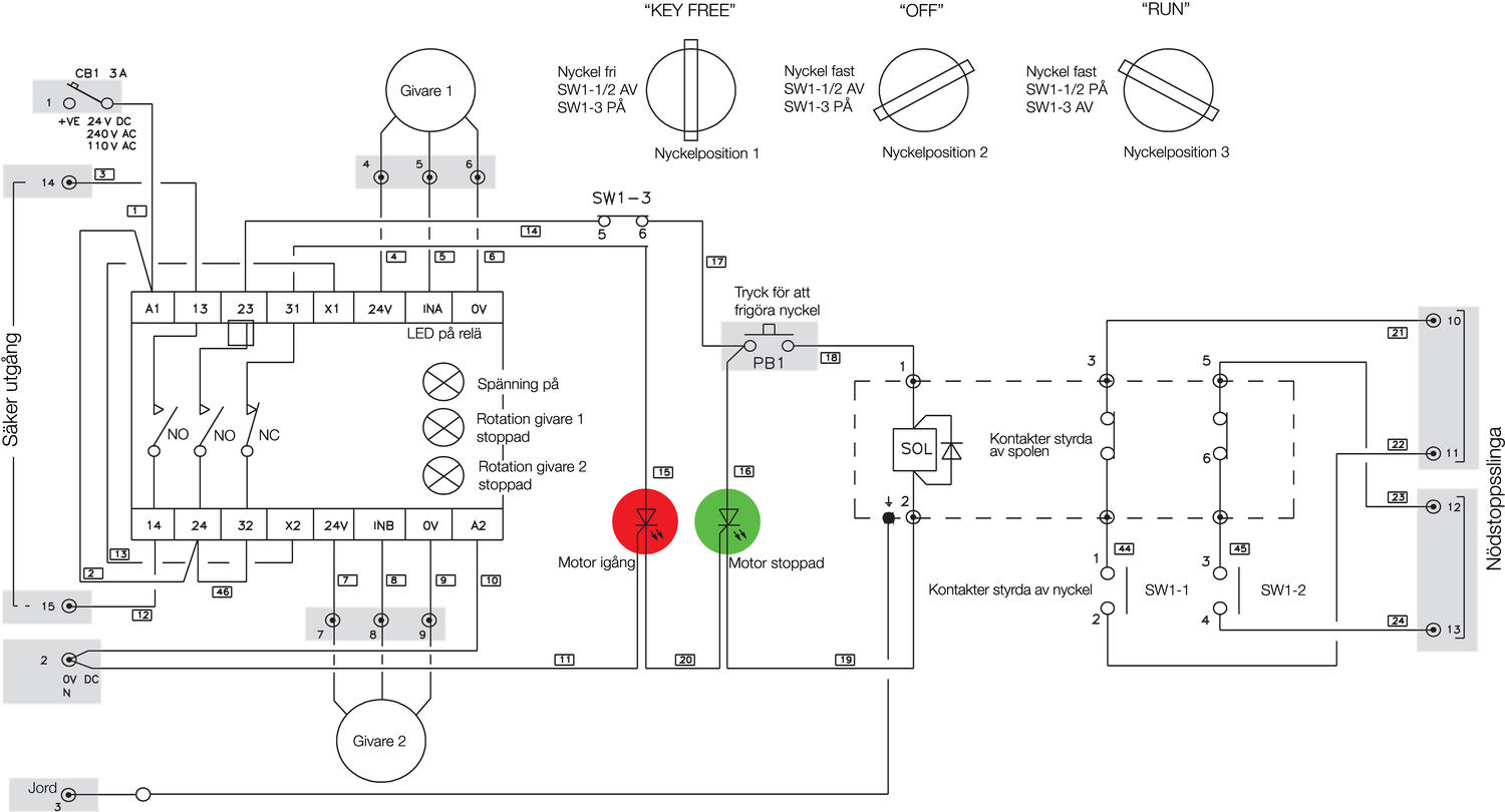
The MSI is designed to control access to rotating machinery that has a run-down time. The MSI relies on the detection of motion via two sensors. Only when both sensors detect zero movement can the key be released. The MSI has been designed to provide the highest level of safety when installed as part of an access control system for dangerous machinery.

| Approvals | CE |
|---|---|
| Consumption | 18 W |
| Contact Current Max | 6 A |
| Contact Voltage Max | 250 V |
| IP Class | IP65 |
| Material Protection | Painted steel |
| Materials Locks | Brass |
| Temperature ambient from | -5 °C |
| Temperature ambient to | 55 °C |
| Weight | 5 kg |
The MSI is designed to control access to rotating machinery that has a run-down time. The MSI relies on the detection of motion via two sensors. Only when both sensors detect zero movement can the key be released. The MSI has been designed to provide the highest level of safety when installed as part of an access control system for dangerous machinery.

With the help of our technical department, we can offer efficient and comprehensive delivery of safety edges, ready for plug-and-play installation.
Inxpect safety radars detect access or presence of operators in dangerous areas and also have the ability to dynamically set the detection and warning zones.
Safety curtains and beams provide effective and reliable personal protection and monitoring in a wide range of industrial environments.
Hokuyo has small safety laserskanner that is very small in size. This versatile laserskanner fits in most systems. Read more!
Transtecno has developed the MiniTecno product range to better meet the needs of customers using small gear motors in a wide range of industries, up to 90 Nm.
WIKA's hygienic products take into account the high hygiene, cleaning, and durability requirements of the food and pharmaceutical industries. Read more!