CASTELL
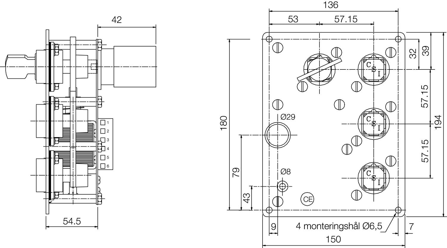
A typical application of KSSE multi-key solenoid controlled switch is machine guarding. It is usually used in combination with an access interlock such as the Salus for part body access or an AIE access interlock with an exchange key for full body access control such as AIE.
The KSSE breaks the machine safety circuit, ensuring a machine is shut down once the isolation key is inserted and turned into the unit. Once the machine has completed the cycle, an external signal is received by the solenoid, which is indicated by an illuminated LED. Activating the green button on the KSSE will enable the personnel keys to be turned and removed ensuring the power is locked out. The keys can then be taken to the AIE dual key access interlocks to enable access to the machinery.
The machine cannot be restarted until all doors are closed, and all personnel keys returned to the KSSE.

| Approvals | CE, CSA, UL |
|---|---|
| Contact Current Max | 20 A |
| Contact Current Min | 5 mA |
| Contact Voltage Max | 400 V |
| Contact Voltage Min | 20 V |
| Materials Locks | Brass |
| Temperature ambient from | -25 °C |
| Temperature ambient to | 55 °C |
| Weight | 4 kg |
A typical application of KSSE multi-key solenoid controlled switch is machine guarding. It is usually used in combination with an access interlock such as the Salus for part body access or an AIE access interlock with an exchange key for full body access control such as AIE.
The KSSE breaks the machine safety circuit, ensuring a machine is shut down once the isolation key is inserted and turned into the unit. Once the machine has completed the cycle, an external signal is received by the solenoid, which is indicated by an illuminated LED. Activating the green button on the KSSE will enable the personnel keys to be turned and removed ensuring the power is locked out. The keys can then be taken to the AIE dual key access interlocks to enable access to the machinery.
The machine cannot be restarted until all doors are closed, and all personnel keys returned to the KSSE.

With the help of our technical department, we can offer efficient and comprehensive delivery of safety edges, ready for plug-and-play installation.
Inxpect safety radars detect access or presence of operators in dangerous areas and also have the ability to dynamically set the detection and warning zones.
Safety curtains and beams provide effective and reliable personal protection and monitoring in a wide range of industrial environments.
Hokuyo has small safety laserskanner that is very small in size. This versatile laserskanner fits in most systems. Read more!
Transtecno has developed the MiniTecno product range to better meet the needs of customers using small gear motors in a wide range of industries, up to 90 Nm.
WIKA's hygienic products take into account the high hygiene, cleaning, and durability requirements of the food and pharmaceutical industries. Read more!
|
|
|
|
|
|
||
|---|---|---|---|---|---|---|
|
|
|
|
|
|
||
|
|
|
|
|
|
||
|
|
|
|
|
|
||
|
|
|
|
|
|
||
|
|
|
|
|
|
||
|
|
|
|
|
|
| Articles | IP Class | Material Protection | Weight | ||
|---|---|---|---|---|---|
KSSE20, 1+1, 2NO+2NC, 24 VDC
Art:
E20FS1DPC/O424D
Copied
|
|
|
4 kg
|
| |
KSSE20, 1+1, 2NO+2NC, 24 VDC
Art:
E20FS1DFC/O424D
Copied
|
IP65
|
Painted steel
|
4 kg
|
| |
KSSE20, 1+2, 2NO+2NC, 24 VDC
Art:
E20FS2DFC/O424D
Copied
|
IP65
|
Painted steel
|
4.5 kg
|
| |
KSSE20, 1+2, 2NO+2NC, 24 VDC
Art:
E20FS2DPC/O424D
Copied
|
IP65
|
|
4.5 kg
|
|
Select a variant in the list