DATASENSING
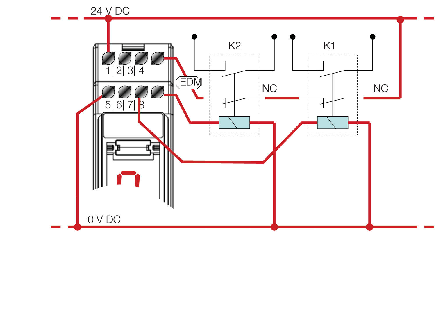
Control unit allowing connection of up to four pairs of safe photocells to obtain four safe light beams for either two double-beam protective fields or one four-beam protective field.
The control unit has two PNP outputs and removable, coded terminals. There is a 7 segment LED display for status and diagnostics on the front.
| Approvals | CE, cULus, TÜV | 
|---|---|
| Cable Length Max | 50 m | 
| Conforming To | EMC, LVD, MD | 
| Contact Current Max | 0.5 A | 
| DC | 99 % | 
| IP Class | IP20 | 
| Mttfd | 201 year | 
| PL | e (EN ISO 13849-1) | 
| Power Consumption | 2,1 W max | 
| SIL | 3 (EN IEC 62061) | 
|---|---|
| Supply voltage | 24 V DC | 
| T1 (Life Time In Years) | 20 | 
| Temperature range bearing, from | -25 °C | 
| Temperature range bearing, to | 70 °C | 
| Temperature range from | 0 °C | 
| Temperature range to | 55 °C | 
| Voltage Tolerance | ±15 % | 
Control unit allowing connection of up to four pairs of safe photocells to obtain four safe light beams for either two double-beam protective fields or one four-beam protective field.
The control unit has two PNP outputs and removable, coded terminals. There is a 7 segment LED display for status and diagnostics on the front.
 
              Inxpect safety radars detect access or presence of operators in dangerous areas and also have the ability to dynamically set the detection and warning zones.
 
              With the help of our technical department, we can offer efficient and comprehensive delivery of safety edges, ready for plug-and-play installation.
 
              Safety curtains and beams provide effective and reliable personal protection and monitoring in a wide range of industrial environments.
 
              Hokuyo has small safety laserskanner that is very small in size. This versatile laserskanner fits in most systems. Read more!
 
              Transtecno has developed the MiniTecno product range to better meet the needs of customers using small gear motors in a wide range of industries, up to 90 Nm.
 
              HARTING has introduced a new Push-In connection technology that can reduce assembly times by up to 30% and improve installation flexibility. Read more!