BERNSTEIN
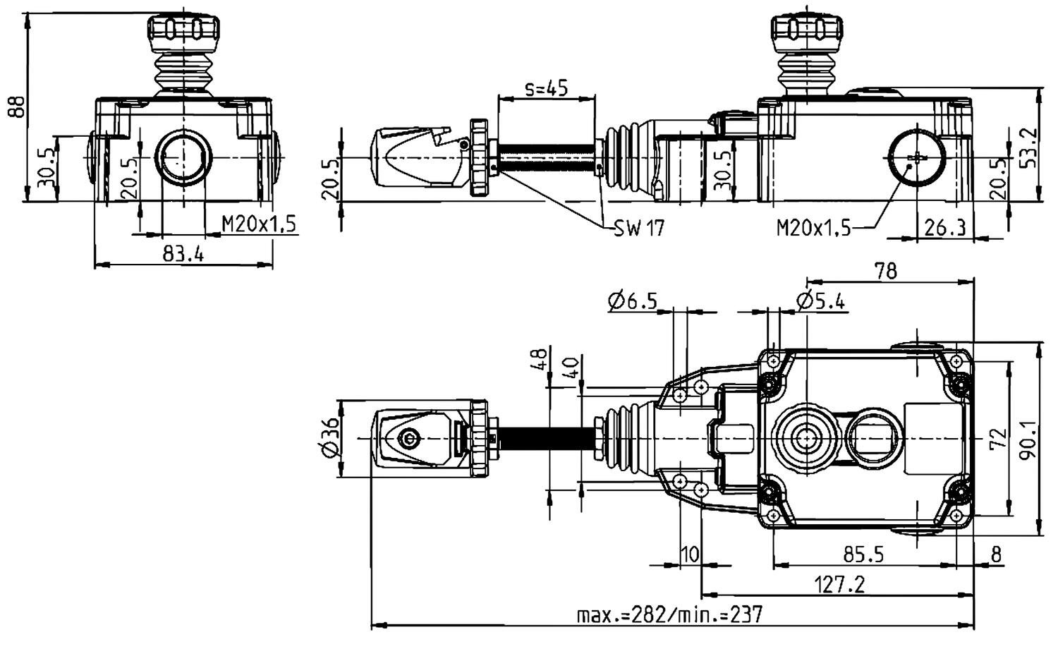
The SRM (metal enclosure) safety rope pull switches are available with the Quickfix quick-connect system, which renders unnecessary cable eye stiffeners, cable grips and turnbuckles that are otherwise required for mounting the cable. Added to this, the time required to install the cable is drastically reduced. Versions with a conventional eye are, of course, also available.
All variants of the SRM are equipped with an integrated emergency stop impact button that can be actuated by pressing in hazardous situations. In the same way as pulling the pull cable, the safety contacts are opened and the switch is locked.
The type SRM...E-... safety rope pull switches are optionally available with a remote indicator for monitoring the cable tension. This option has an integrated sensor unit that monitors situations in which the cable tension may overshoot or undershoot the permissible value, or triggering of the safety rope pull switch is imminent.

| Contact type | 2 NO, 2 NC |
|---|---|
| Lin length max | 37,5 m |
| IP Class | IP67 |
| Temperature range from | -30 °C |
| Temperature range to | 80 °C |
| Height | 282 mm |
| Width | 90 mm |
| Depth | 88 mm |
| Cable entry | 3x M20x1,5 |
|---|---|
| Voltage Max | 250 V |
| Material of body | Aluminium, PA6 |
| Switching frequency | 20/min |
| B10d | 200 000 |
| Approvals | CCC, cCSAus, DGUV |
The SRM (metal enclosure) safety rope pull switches are available with the Quickfix quick-connect system, which renders unnecessary cable eye stiffeners, cable grips and turnbuckles that are otherwise required for mounting the cable. Added to this, the time required to install the cable is drastically reduced. Versions with a conventional eye are, of course, also available.
All variants of the SRM are equipped with an integrated emergency stop impact button that can be actuated by pressing in hazardous situations. In the same way as pulling the pull cable, the safety contacts are opened and the switch is locked.
The type SRM...E-... safety rope pull switches are optionally available with a remote indicator for monitoring the cable tension. This option has an integrated sensor unit that monitors situations in which the cable tension may overshoot or undershoot the permissible value, or triggering of the safety rope pull switch is imminent.

With the help of our technical department, we can offer efficient and comprehensive delivery of safety edges, ready for plug-and-play installation.
Inxpect safety radars detect access or presence of operators in dangerous areas and also have the ability to dynamically set the detection and warning zones.
Safety curtains and beams provide effective and reliable personal protection and monitoring in a wide range of industrial environments.
Hokuyo has small safety laserskanner that is very small in size. This versatile laserskanner fits in most systems. Read more!
Transtecno has developed the MiniTecno product range to better meet the needs of customers using small gear motors in a wide range of industries, up to 90 Nm.
WIKA's hygienic products take into account the high hygiene, cleaning, and durability requirements of the food and pharmaceutical industries. Read more!
|
|
|
|
|
|
||
|---|---|---|---|---|---|---|
|
|
|
|
|
|
||
|
|
|
|
|
|
||
|
|
|
|
|
|
||
|
|
|
|
|
|
||
|
|
|
|
|
|
||
|
|
|
|
|
|
| Articles | Contact type | Lin length max | IP Class | Temperature range from | Temperature range to | Height | Width | Depth | Cable entry | Voltage Max | Material of body | Switching frequency | B10d | Approvals | ||
|---|---|---|---|---|---|---|---|---|---|---|---|---|---|---|---|---|
|
ROPE PULL SRM-U1Z/U1Z-QF-175
Art:
601.2929.085
Copied
|
2 NO, 2 NC
|
37,5 m
|
IP67
|
-30 °C
|
80 °C
|
282 mm
|
90 mm
|
88 mm
|
3x M20x1,5
|
250 V
|
Aluminium, PA6
|
20/min
|
200 000
|
CCC, cCSAus, DGUV
|
| |
|
SRM-U1Z/U1Z-QF-175-E
Art:
601.2929.086
Copied
|
2 NO, 2 NC
|
37,5 m
|
IP67
|
-30 °C
|
80 °C
|
282 mm
|
90 mm
|
88 mm
|
3x M20x1,5
|
250 V
|
Aluminium, PA6
|
20/min
|
200 000
|
CCC, cCSAus, DGUV
|
| |
|
ROPE PULL SRM-U1Z/U1Z-QF-300
Art:
601.2929.087
Copied
|
2 NO, 2 NC
|
75 m
|
IP67
|
-30 °C
|
80 °C
|
282 mm
|
90 mm
|
88 mm
|
3x M20x1,5
|
250 V
|
Aluminium, PA6
|
20/min
|
200 000
|
CCC, cCSAus, DGUV
|
| |
|
Rope pull switch SRM-U1Z/U1Z-QF-300-E, =75 m, QF, tension sensor
Art:
601.2929.088
Copied
|
2 NO, 2 NC
|
75 m
|
IP67
|
-30 °C
|
80 °C
|
282 mm
|
90 mm
|
88 mm
|
3x M20x1,5
|
250 V
|
Aluminium, PA6
|
20/min
|
200 000
|
CCC, cCSAus, DGUV
|
|
Select a variant in the list