GELBAU
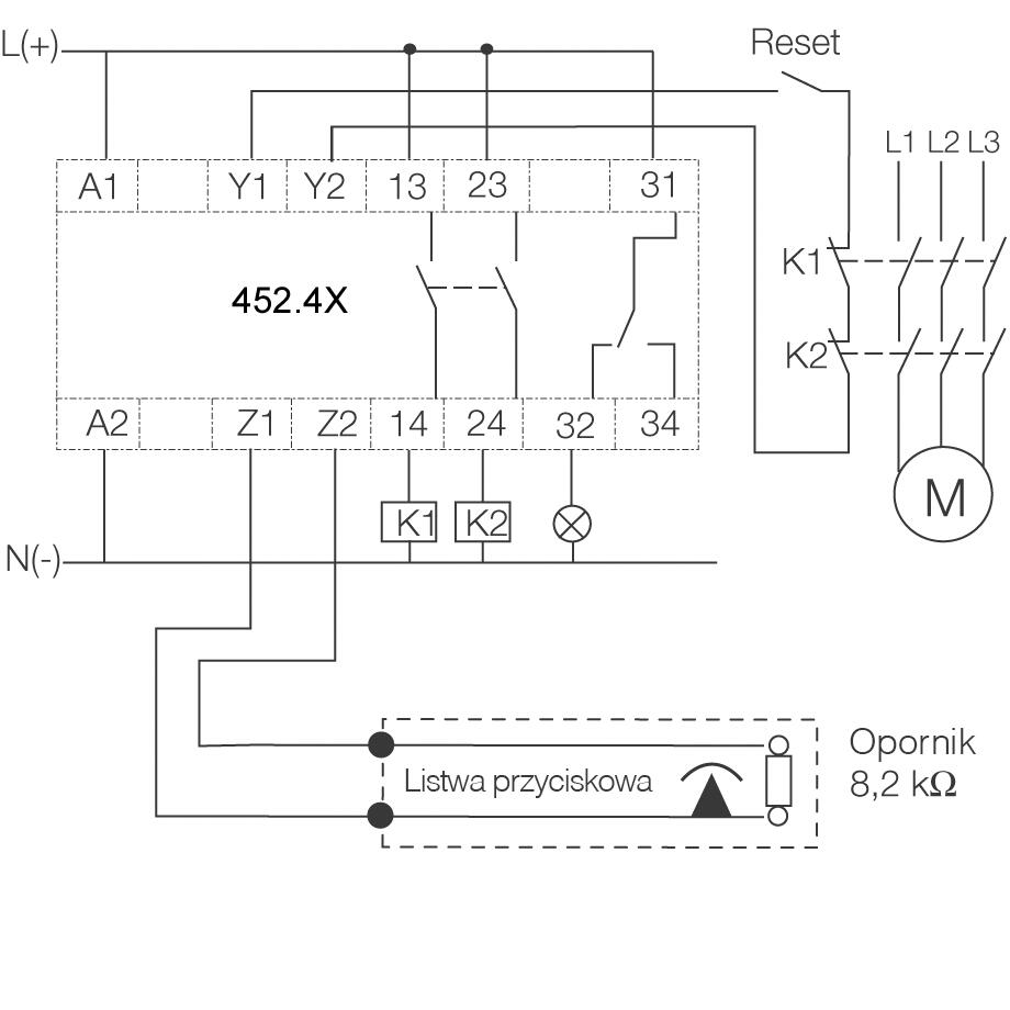
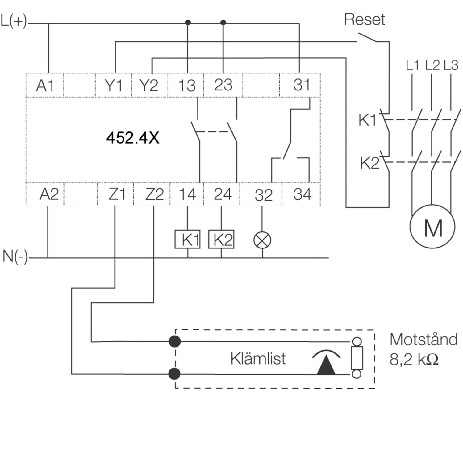
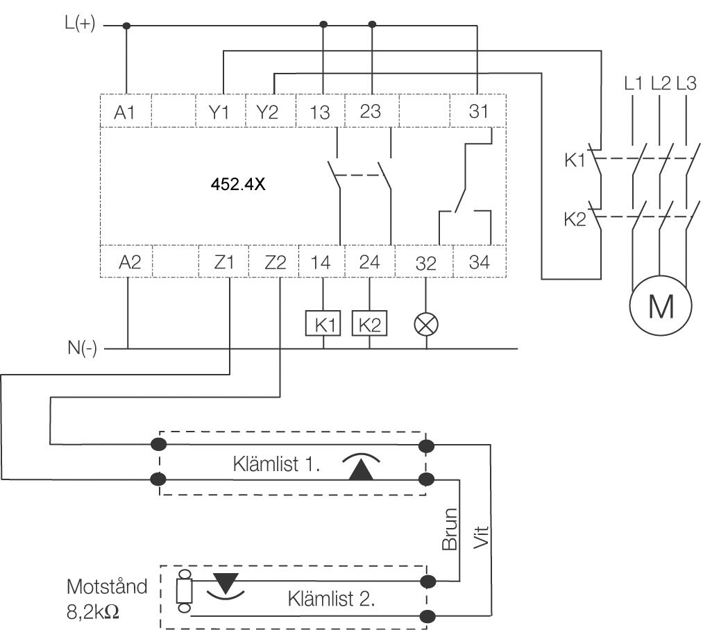
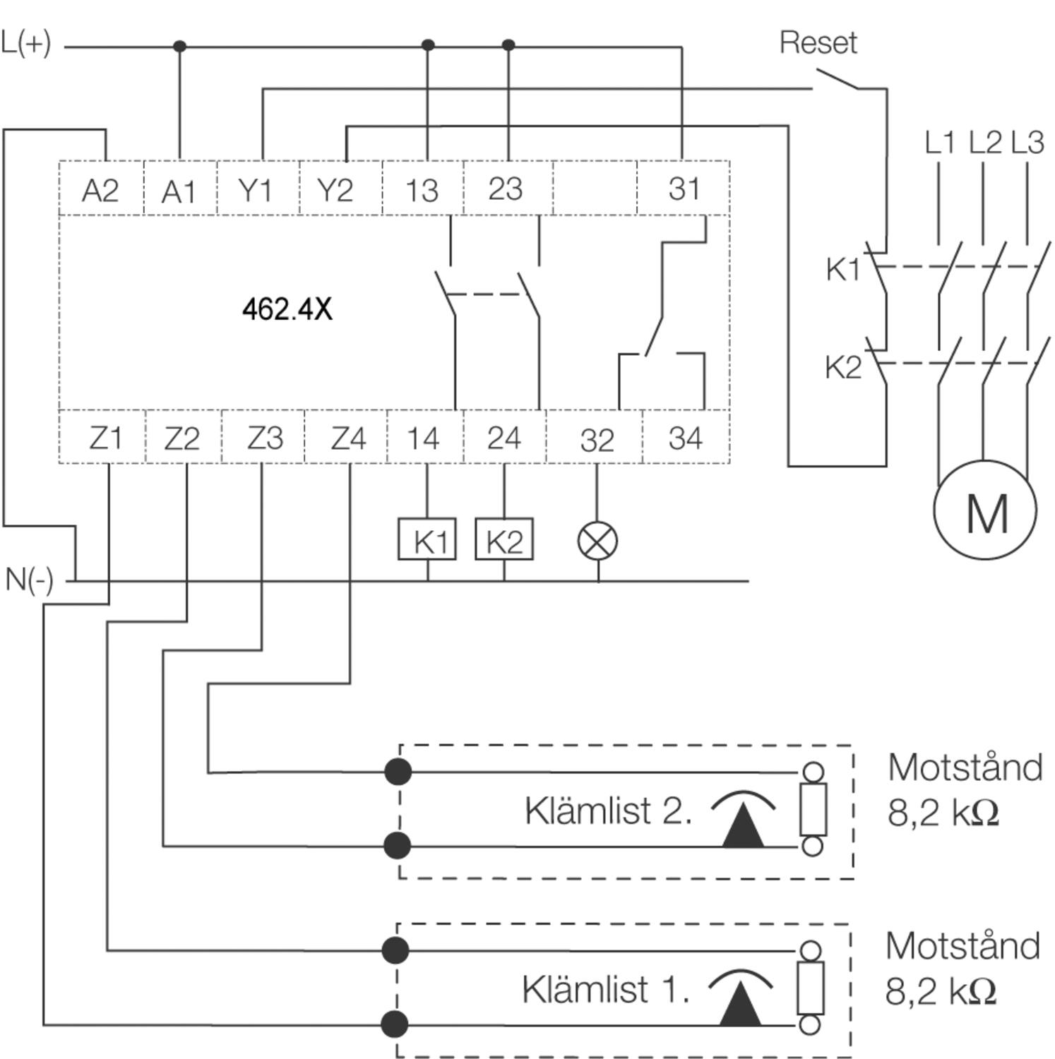
Compact control unit with only 22.5 mm enclosure for the monitoring of sensing strips in dangerous applications. It is also suitable for use on motorised gates which, in line with the standard, must have relays conforming to safety category 3. A low current is transmitted from the control unit connectors (Z1 and Z2) through the sensing strip, and a closed circuit is formed via a resistor (8.2 kΩ). The control units outputs cut the power if anyone/anything presses the sensing strip and also following a short-circuit or open circuit.
Supply voltage  | 24 V AC/DC, 230 V AC  | |
Tolerance  | -15 % to +10 %  | |
Consumption (operation)  | 3 W  | |
Relay outputs:  | Safe  | 2 NO (single)  | 
Signal  | 1 CO  | |
Max. contact voltage  | 250 V AC/24 V DC  | |
Max. contact current  | 4 A AC/2 A DC  | |
Fuse outputs  | 4 A  | |
Disconnection time  | 15 ms  | |
Max. length of sensing strip  | 100 m  | |
Max. cable length to the sensing strip  | 50 m (min. 0.5 m²)  | |
Status indication  | 4xLED  | |
Ingress protection class:  | Terminal block  | IP20  | 
Enclosure  | IP40  | |
Ambient temperature  | -20 °C to +55 °C  | |
Installation  | DIN rail  | |
Mechanical service life  | 3x107  | |
Safety category  | 3 in accordance with EN954-1  | |
Standard  | EN1760-2, ZH1/494  | |
Conforming to  | MD, LVD, EMC  | |
Approvals  | 
  | |
Technical characteristics
Depending on safety requirements  | 
  | |
• Force guided contacts  | 
  | |
• Internal/external redundancy  | 
  | |
  | 
  | |
User benefits  | Status indication  | |
• Safety category 3 in accordance with EN954-1  | 
  | |
• 2 NO and 1 CO output  | 
  | Strip activated  | 
• Contact load 4 A  | 
  | Fault in the safety circuit  | 
• LED status indication  | 
  | Output activated  | 
• Monitoring of external contactors  | 
  | Output activated  | 
(mm)
452.4 (One input)  | 462.4 (Two inputs)  | 
1. One sensing strip.  | 4. Two sensing strips.   | 
  | 
  | 
2. One sensing strip.   | 5. Two sensing strips.   | 
  | 
  | 
3. Two sensing strips.   | 6. Several sensing strips.   | 
Order no.  | Description  | 
3004.5246  | Control unit 452.4, 2 NO+1 CO, one input, cat. 3, 24 V DC, 22.5 mm  | 
3004.5240  | Control unit 452.4, 2 NO+1 CO, one input, cat. 3, 230 V AC, 22.5 mm  | 
3004.6246  | Control unit 462.4, 2 NO+1 CO, 2 inputs, cat. 3, 24 V DC, 22.5 mm  | 
3004.6240  | Control unit 452.4, 2 NO+1 CO, 2 inputs, cat. 3, 230 V AC, 22.5 mm  | 
3004.5242  | Control unit 452.4, 2 NO+1 CO, 1 input, variable voltage  | 
3004.6242  | Control unit 462.4, 2 NO+1 CO, 2 inputs, variable voltage  | 
| Approvals | CE, TÜV NORD | 
|---|---|
| Cable length to clip list max | 50 m (min. 0,5 m2) | 
| Conforming To | EMC, LVD, MD | 
| Contact Current Max | 4 A AC/DC | 
| Contact Voltage Max | 250 V AC/24 V DC | 
| Disconnection | 15 ms | 
| Fuse output | 4 A | 
| IP Class Connection | IP20 | 
| IP Class House | IP40 | 
| Mounting | DIN rail | 
| PL | e enl. SS-EN ISO 13849-1:2008 | 
|---|---|
| Power Consumption | 3 W | 
| Supply voltage | 24 V DC | 
| Temperature ambient from | -20 °C | 
| Temperature ambient to | 55 °C | 
| Terminal Strip Length Max | 100 m | 
| Tolerance max | 10 % | 
| Tolerance min | -15 % | 
Compact control unit with only 22.5 mm enclosure for the monitoring of sensing strips in dangerous applications. It is also suitable for use on motorised gates which, in line with the standard, must have relays conforming to safety category 3. A low current is transmitted from the control unit connectors (Z1 and Z2) through the sensing strip, and a closed circuit is formed via a resistor (8.2 kΩ). The control units outputs cut the power if anyone/anything presses the sensing strip and also following a short-circuit or open circuit.
Supply voltage  | 24 V AC/DC, 230 V AC  | |
Tolerance  | -15 % to +10 %  | |
Consumption (operation)  | 3 W  | |
Relay outputs:  | Safe  | 2 NO (single)  | 
Signal  | 1 CO  | |
Max. contact voltage  | 250 V AC/24 V DC  | |
Max. contact current  | 4 A AC/2 A DC  | |
Fuse outputs  | 4 A  | |
Disconnection time  | 15 ms  | |
Max. length of sensing strip  | 100 m  | |
Max. cable length to the sensing strip  | 50 m (min. 0.5 m²)  | |
Status indication  | 4xLED  | |
Ingress protection class:  | Terminal block  | IP20  | 
Enclosure  | IP40  | |
Ambient temperature  | -20 °C to +55 °C  | |
Installation  | DIN rail  | |
Mechanical service life  | 3x107  | |
Safety category  | 3 in accordance with EN954-1  | |
Standard  | EN1760-2, ZH1/494  | |
Conforming to  | MD, LVD, EMC  | |
Approvals  | 
  | |
Technical characteristics
Depending on safety requirements  | 
  | |
• Force guided contacts  | 
  | |
• Internal/external redundancy  | 
  | |
  | 
  | |
User benefits  | Status indication  | |
• Safety category 3 in accordance with EN954-1  | 
  | |
• 2 NO and 1 CO output  | 
  | Strip activated  | 
• Contact load 4 A  | 
  | Fault in the safety circuit  | 
• LED status indication  | 
  | Output activated  | 
• Monitoring of external contactors  | 
  | Output activated  | 
(mm)
452.4 (One input)  | 462.4 (Two inputs)  | 
1. One sensing strip.  | 4. Two sensing strips.   | 
  | 
  | 
2. One sensing strip.   | 5. Two sensing strips.   | 
  | 
  | 
3. Two sensing strips.   | 6. Several sensing strips.   | 
Order no.  | Description  | 
3004.5246  | Control unit 452.4, 2 NO+1 CO, one input, cat. 3, 24 V DC, 22.5 mm  | 
3004.5240  | Control unit 452.4, 2 NO+1 CO, one input, cat. 3, 230 V AC, 22.5 mm  | 
3004.6246  | Control unit 462.4, 2 NO+1 CO, 2 inputs, cat. 3, 24 V DC, 22.5 mm  | 
3004.6240  | Control unit 452.4, 2 NO+1 CO, 2 inputs, cat. 3, 230 V AC, 22.5 mm  | 
3004.5242  | Control unit 452.4, 2 NO+1 CO, 1 input, variable voltage  | 
3004.6242  | Control unit 462.4, 2 NO+1 CO, 2 inputs, variable voltage  | 
              With the help of our technical department, we can offer efficient and comprehensive delivery of safety edges, ready for plug-and-play installation.
              Inxpect safety radars detect access or presence of operators in dangerous areas and also have the ability to dynamically set the detection and warning zones.
              Safety curtains and beams provide effective and reliable personal protection and monitoring in a wide range of industrial environments.
              Hokuyo has small safety laserskanner that is very small in size. This versatile laserskanner fits in most systems. Read more!
              Transtecno has developed the MiniTecno product range to better meet the needs of customers using small gear motors in a wide range of industries, up to 90 Nm.
              HARTING has introduced a new Push-In connection technology that can reduce assembly times by up to 30% and improve installation flexibility. Read more!
| 
                   | 
                
                   | 
                
                   | 
                
                   | 
                
                   | 
              ||
|---|---|---|---|---|---|---|
| 
                     | 
                  
                     | 
                  
                     | 
                  
                     | 
                  
                     | 
                ||
| 
                     | 
                  
                     | 
                  
                     | 
                  
                     | 
                  
                     | 
                ||
| 
                     | 
                  
                     | 
                  
                     | 
                  
                     | 
                  
                     | 
                ||
| 
                     | 
                  
                     | 
                  
                     | 
                  
                     | 
                  
                     | 
                ||
| 
                     | 
                  
                     | 
                  
                     | 
                  
                     | 
                  
                     | 
                ||
| 
                     | 
                  
                     | 
                  
                     | 
                  
                     | 
                  
                     | 
                
| Articles | Supply voltage | ||
|---|---|---|---|
| 
   
      
        CAT3 22mm 1CH,2NO,1CO,MAN24VDC
      
      
       
  
        Art:
         
    
          
            3004.5246
          
          Copied
         
       | 
  
        
           
            24 V DC 
            
            
           
         | 
     |   |
| 
   
      
        CAT3 22mm.1CH,2NO,1CO. 230VAC
      
      
       
  
        Art:
         
    
          
            3004.5240
          
          Copied
         
       | 
  
        
           
             230 V AC 
            
            
           
         | 
     |   |
| 
   
      
        CAT3 22mm 2CH,2NO,1CO,MAN24VDC
      
      
       
  
        Art:
         
    
          
            3004.6246
          
          Copied
         
       | 
  
        
           
            24 V DC 
            
            
           
         | 
     |   |
| 
   
      
        CAT3 22mm 2CH,2NO,1CO,230vac
      
      
       
  
        Art:
         
    
          
            3004.6240
          
          Copied
         
       | 
  
        
           
            230 V AC 
            
            
           
         | 
     |   
Select a variant in the list