GREIN

Control units

The PS3 unit control series are the controller for ribbon switches, edges and mats provided with four wire to meet category 3, Performance Level “e” according to EN ISO 13849.

 

The control circuit disables the internal relays when the sensor is pressed, if are cut the conductors, in case of interruption of the internal circuit of the sensor, if power failure, in case of a failure to the internal components of the safety circuit.

 

The PS3 control unit are provided with two safety contacts NO and one no safety NC contact.

 

281253_566.tif

 

Technical spesifications

Supply voltage

24 V DC or 24/115/220 V AC

Tolerance

± 10 %

Max. voltage / output

230 V

Max. current / output

2 A

Response time

9-16 ms

Max. safety mat area

15 m2

Protection rating

IP20 or IP56

Temperature range

-5 °C...+60 °C

Mounting

DIN-rail or enclosure

Safety class

3, conforms to EN954-1

Approvals

Ce-marking, TÜV

 

Dimensions

DIN-rail mounting

319147_566.tiff


Enclosure

319148_566.tiff

 

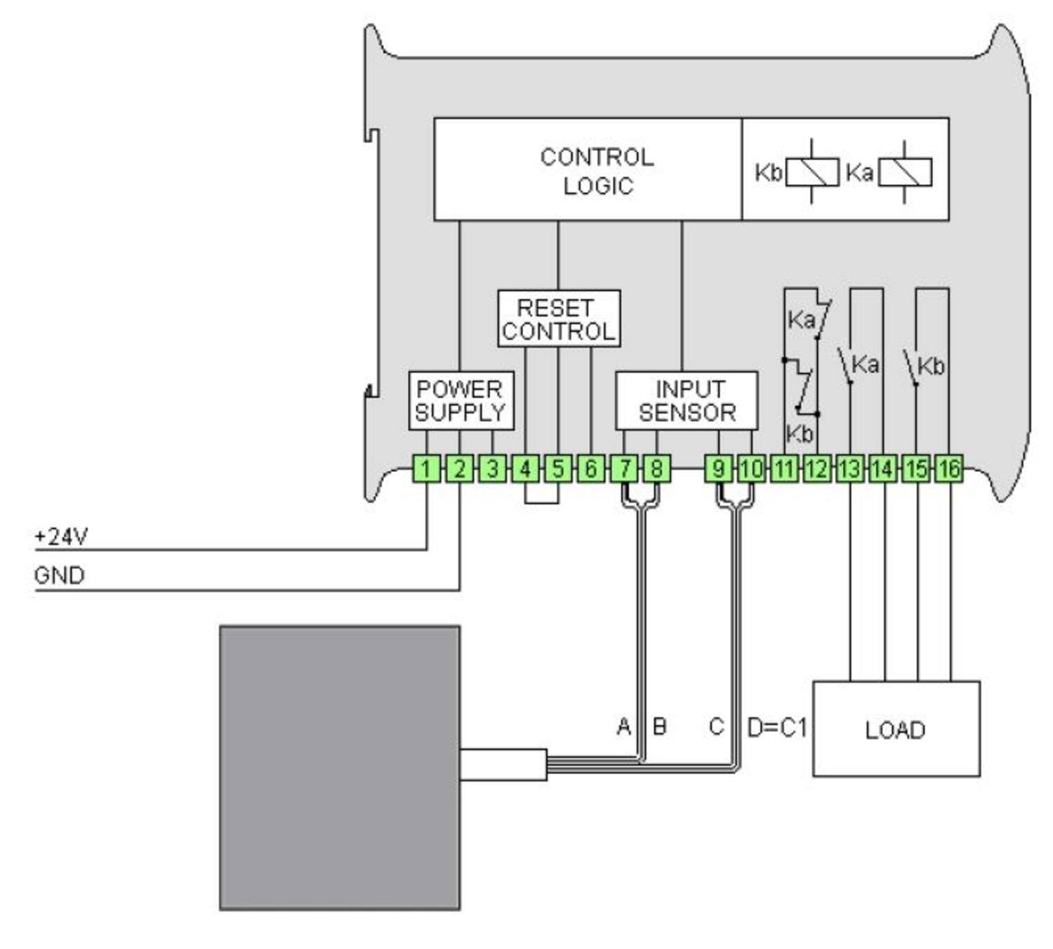
Connection

Control unit PS3A5

319149_566.eps

Pin

Function

1

+ 24 V DC

2

0

3

Ground

4-5

Automatic reset

4-6

Manual reset

7

Wire A input

8

Wire B input

9

Wire C input

10

Wire D input

11-12

NC contact

13-14

NO safety contact

15-16

NO safety contact

 

Order numbers

Order number

Description

Output

IP rating

PS3A5

Control unit PS3-A5, DIN, 24 V DC

2 NO+1 NC

20

PS3A3

Control unit PS3-A3, DIN, 230 V AC

2 NO+1 NC

20

PS3-56-A5

Control unit PS3-56-A5, enclosed, 24 V DC

2 NO+1 NC

56

 

 

Read more
  • 2 NO + 1 NC safety output
  • Automatic or manual reset
  • Safety class 3, (PL e)

Selected variant

Selected variant

Specifications

Input voltage 24 V DC
IP Class IP20
Temperature range from -5 °C
Temperature range to 60 °C

Measurements and connections

Technical illustrations

Product description

The PS3 unit control series are the controller for ribbon switches, edges and mats provided with four wire to meet category 3, Performance Level “e” according to EN ISO 13849.

 

The control circuit disables the internal relays when the sensor is pressed, if are cut the conductors, in case of interruption of the internal circuit of the sensor, if power failure, in case of a failure to the internal components of the safety circuit.

 

The PS3 control unit are provided with two safety contacts NO and one no safety NC contact.

 

281253_566.tif

 

Technical spesifications

Supply voltage

24 V DC or 24/115/220 V AC

Tolerance

± 10 %

Max. voltage / output

230 V

Max. current / output

2 A

Response time

9-16 ms

Max. safety mat area

15 m2

Protection rating

IP20 or IP56

Temperature range

-5 °C...+60 °C

Mounting

DIN-rail or enclosure

Safety class

3, conforms to EN954-1

Approvals

Ce-marking, TÜV

 

Dimensions

DIN-rail mounting

319147_566.tiff


Enclosure

319148_566.tiff

 

Connection

Control unit PS3A5

319149_566.eps

Pin

Function

1

+ 24 V DC

2

0

3

Ground

4-5

Automatic reset

4-6

Manual reset

7

Wire A input

8

Wire B input

9

Wire C input

10

Wire D input

11-12

NC contact

13-14

NO safety contact

15-16

NO safety contact

 

Order numbers

Order number

Description

Output

IP rating

PS3A5

Control unit PS3-A5, DIN, 24 V DC

2 NO+1 NC

20

PS3A3

Control unit PS3-A3, DIN, 230 V AC

2 NO+1 NC

20

PS3-56-A5

Control unit PS3-56-A5, enclosed, 24 V DC

2 NO+1 NC

56

 

 

Accessories

Related products

Related

Articles Input voltage IP Class
24 V DC
IP20
230 V AC
IP20
24 V DC
IP56

Selected variant

Select a variant in the list

Contact us
Please contact us for more information.
Send e-mail
Do you need help?
Logo

Cookies on oem.ee

Cookies help us improve your experience with us, so in order to be able to handle login information, offer you personalised content and for basic functionality of this website, we use some cookies.

Functional cookies

These cookies are necessary for the website to work and can not be turned off in our systems. They are usually used only in response to actions you have taken in connection with a service request, for example when setting personal preferences, logging in or filling out a form.

Analytics cookies

These cookies allow us to count the number of visits and traffic sources so that we can measure and improve our website performance. They help us know which pages are more or less popular and how visitors navigate around the site. The information that these cookies collect is aggregated and therefore completely anonymous. If you do not allow these cookies, we do not know when you have visited our website.

Marketing cookies

These cookies can be added by our partners. They can use them to create a profile of you, based on your interests, to show you more relevant information. They do not store any personal information - only information about your browser and device. If you do not accept these cookies, you will have a more general and less customized user experience.