MECHAN

Mechan - SSS, SSC, SSR coded safety switch

The SS range of electronically coded safety switches offer greater tamper resistance than standard magnetically operated switches. The units are fully encapsulated into resin filled ABS housings and have a status LED for visual indication of operation.

When the actuator is brought to the sensing part of the switch (within 8-10mm target to target) a dynamic signal is generated in the actuator and transmitted to the sensor. This signal will, along with a secondary switching system, allow the safety control relays to energise thus closing the safety contacts and opening the signal contacts.

Technical specification

 

SSS

SSC

SSR

Power supply

24Vdc

Power consumption

2VA

Safety contact rating

2A @ 230Vac or 30Vdc

500mA @ 110Vac or 24Vdc

2A @ 230Vac or 24Vdc

Auxiliary contact rating

2A @ 230Vac or 30Vdc

500mA @ 110Vac or 24Vdc

2A @ 230Vac or 24Vdc

External fuse (not supplied)

3A fast acting

Operating temperature

-10°C to +55°C

Storage temperature

-20°C to +60°C

Housing

Blue ABS case, resin filled

Protection

IP67

Vibration/shock

50-100Hz/10g

Switching distance

6-9mm on, 10-12mm off

Optimum gap

2mm

Max. cable length

100 metres

Indication

Green LED

Dual colour LED (red/green)

Dual colour LED (red/green)

Mounting

M4 security screws (supplied)

 

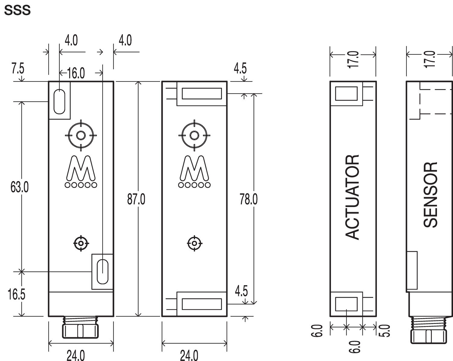
Dimensions

228748_877.eps

228749_877.eps

SSR
228750_877.eps

 

Mounting

The SSS safety switches can approach each other from any angle.
The target on the printed face of the switch must be aligned.
Mount the switch on to the machine frame and the magnet on to the opening door.
Use the tamper proof screws provided.
Do not use the safety switch as a door stop.

228734_877.eps

Leave a minimum of 50mm between any adjacent door switch

228735_877.eps

Always try to mount the switch to non ferrous material.
Ferrous material will reduce the switching distance.

Do not mount the switch to the hinge of the door

228736_877.eps

SLIDING DOORS
EN 1088 provides some mounting suggestions, see example below.
When fixing the safety switch to a sliding door
A) ensure that when the door is opened
B) it is not easily accessible, helping prevent the system being overridden.

228737_877.eps

228738_877.eps

 

Ordering information

Part number

Output contacts

Cable length

SSS-11-03M

1 normally open safety, 1 normally closed auxiliary

3m

SSS-20-03M

2 normally open safety

3m

SSS-11-QD-05M

1 normally open safety, 1 normally closed auxiliary

5m quick disconnect

SSS-20-QD-05M

2 normally open safety

5m quick disconnect

SSS-QD-CABLE-05M

 

5m, 6pin cable only

SS-C-03M

1 normally open safety, 1 normally closed auxiliary

3m

SS-C-05M

1 normally open safety, 1 normally closed auxiliary

5m

SS-C-10M

1 normally open safety, 1 normally closed auxiliary

10m

SS-R-03M

2 normally open safety, 1 normally closed auxiliary

3m

SS-R-05M

2 normally open safety, 1 normally closed auxiliary

5m

SS-R-10M

2 normally open safety, 1 normally closed auxiliary

10m

Please Note: Other cable lengths available on request.

Read more
  • Dual colour LED status indication
  • IP67 sealing
  • 8-10mm switching distance
  • Choice of output contacts

Selected variant

Selected variant

Specifications

Safety contact NO 1
Signal contact NC 1
Contact Current Max 500 mA
Activation Distance From 7 mm
Activation Distances 11 mm
Material Case ABS plastic
IP Class IP67
Temperature range from -25 °C
Temperature range to 55 °C
B10d 2,0 milj.

Measurements and connections

Technical illustrations

Product description

The SS range of electronically coded safety switches offer greater tamper resistance than standard magnetically operated switches. The units are fully encapsulated into resin filled ABS housings and have a status LED for visual indication of operation.

When the actuator is brought to the sensing part of the switch (within 8-10mm target to target) a dynamic signal is generated in the actuator and transmitted to the sensor. This signal will, along with a secondary switching system, allow the safety control relays to energise thus closing the safety contacts and opening the signal contacts.

Technical specification

 

SSS

SSC

SSR

Power supply

24Vdc

Power consumption

2VA

Safety contact rating

2A @ 230Vac or 30Vdc

500mA @ 110Vac or 24Vdc

2A @ 230Vac or 24Vdc

Auxiliary contact rating

2A @ 230Vac or 30Vdc

500mA @ 110Vac or 24Vdc

2A @ 230Vac or 24Vdc

External fuse (not supplied)

3A fast acting

Operating temperature

-10°C to +55°C

Storage temperature

-20°C to +60°C

Housing

Blue ABS case, resin filled

Protection

IP67

Vibration/shock

50-100Hz/10g

Switching distance

6-9mm on, 10-12mm off

Optimum gap

2mm

Max. cable length

100 metres

Indication

Green LED

Dual colour LED (red/green)

Dual colour LED (red/green)

Mounting

M4 security screws (supplied)

 

Dimensions

228748_877.eps

228749_877.eps

SSR
228750_877.eps

 

Mounting

The SSS safety switches can approach each other from any angle.
The target on the printed face of the switch must be aligned.
Mount the switch on to the machine frame and the magnet on to the opening door.
Use the tamper proof screws provided.
Do not use the safety switch as a door stop.

228734_877.eps

Leave a minimum of 50mm between any adjacent door switch

228735_877.eps

Always try to mount the switch to non ferrous material.
Ferrous material will reduce the switching distance.

Do not mount the switch to the hinge of the door

228736_877.eps

SLIDING DOORS
EN 1088 provides some mounting suggestions, see example below.
When fixing the safety switch to a sliding door
A) ensure that when the door is opened
B) it is not easily accessible, helping prevent the system being overridden.

228737_877.eps

228738_877.eps

 

Ordering information

Part number

Output contacts

Cable length

SSS-11-03M

1 normally open safety, 1 normally closed auxiliary

3m

SSS-20-03M

2 normally open safety

3m

SSS-11-QD-05M

1 normally open safety, 1 normally closed auxiliary

5m quick disconnect

SSS-20-QD-05M

2 normally open safety

5m quick disconnect

SSS-QD-CABLE-05M

 

5m, 6pin cable only

SS-C-03M

1 normally open safety, 1 normally closed auxiliary

3m

SS-C-05M

1 normally open safety, 1 normally closed auxiliary

5m

SS-C-10M

1 normally open safety, 1 normally closed auxiliary

10m

SS-R-03M

2 normally open safety, 1 normally closed auxiliary

3m

SS-R-05M

2 normally open safety, 1 normally closed auxiliary

5m

SS-R-10M

2 normally open safety, 1 normally closed auxiliary

10m

Please Note: Other cable lengths available on request.

Accessories

Related

Articles Safety contact NO Signal contact NC Contact Current Max Activation Distance From Activation Distances Material Case IP Class Temperature range from Temperature range to B10d
1
1
500 mA
7 mm
11 mm
ABS plastic
IP67
-25 °C
55 °C
2,0 milj.
1
1
500 mA
7 mm
11 mm
ABS plastic
IP67
-25 °C
55 °C
2,0 milj.
1
1
500 mA
7 mm
11 mm
ABS plastic
IP67
-25 °C
55 °C
2,0 milj.

Selected variant

Select a variant in the list

Contact us
Please contact us for more information.
Send e-mail
Do you need help?
Logo

Cookies on oem.ee

Cookies help us improve your experience with us, so in order to be able to handle login information, offer you personalised content and for basic functionality of this website, we use some cookies.

Functional cookies

These cookies are necessary for the website to work and can not be turned off in our systems. They are usually used only in response to actions you have taken in connection with a service request, for example when setting personal preferences, logging in or filling out a form.

Analytics cookies

These cookies allow us to count the number of visits and traffic sources so that we can measure and improve our website performance. They help us know which pages are more or less popular and how visitors navigate around the site. The information that these cookies collect is aggregated and therefore completely anonymous. If you do not allow these cookies, we do not know when you have visited our website.

Marketing cookies

These cookies can be added by our partners. They can use them to create a profile of you, based on your interests, to show you more relevant information. They do not store any personal information - only information about your browser and device. If you do not accept these cookies, you will have a more general and less customized user experience.