BERNSTEIN

Safety switch SLK

SLK safety position switches with interlock function are available in versions with spring force locking action and magnetic force locking action. The separate actuator is connected formfit with the safety guard. It transfers the locking force to the safety guard and monitors its position. Thanks to its triple coding, the separate actuator ensures a high degree of antitamper security.

 

The interlock facility in association with the SLK safety position switches is integrated in the switch enclosure. To lock the actuator in connection with a switching mechanism, the required interlock is achieved by means of a spring mechanism in the spring force locked version and by an electromagnet in the magnetic force locked version.

 

Actuator head positions

221951_728.tif

221952_728.tif

221922_728.tif


Note! Actuator sold separately.

 


Important! SLK safety switch with ERX emergency handle must be mounted outside of the danger zone. Only to be used in the case of emergency.

 

Read more
  • Mechanical or eletronic locking
  • Contacts: key NC+NO or 2 NC / locking NC+NO or 2 NC
  • Two independent safety circuits
  • ≤1500 N latching force

Selected variant

Selected variant

Specifications

Approvals CCC, cCSAus, DGUV
B10d 2000000
Cable entry 3x M20x1,5
Contact type 2 NO, 2 NC
IP Class IP67
Supply voltage 24 V AC/DC
Temperature range from -25 °C
Temperature range to 70 °C

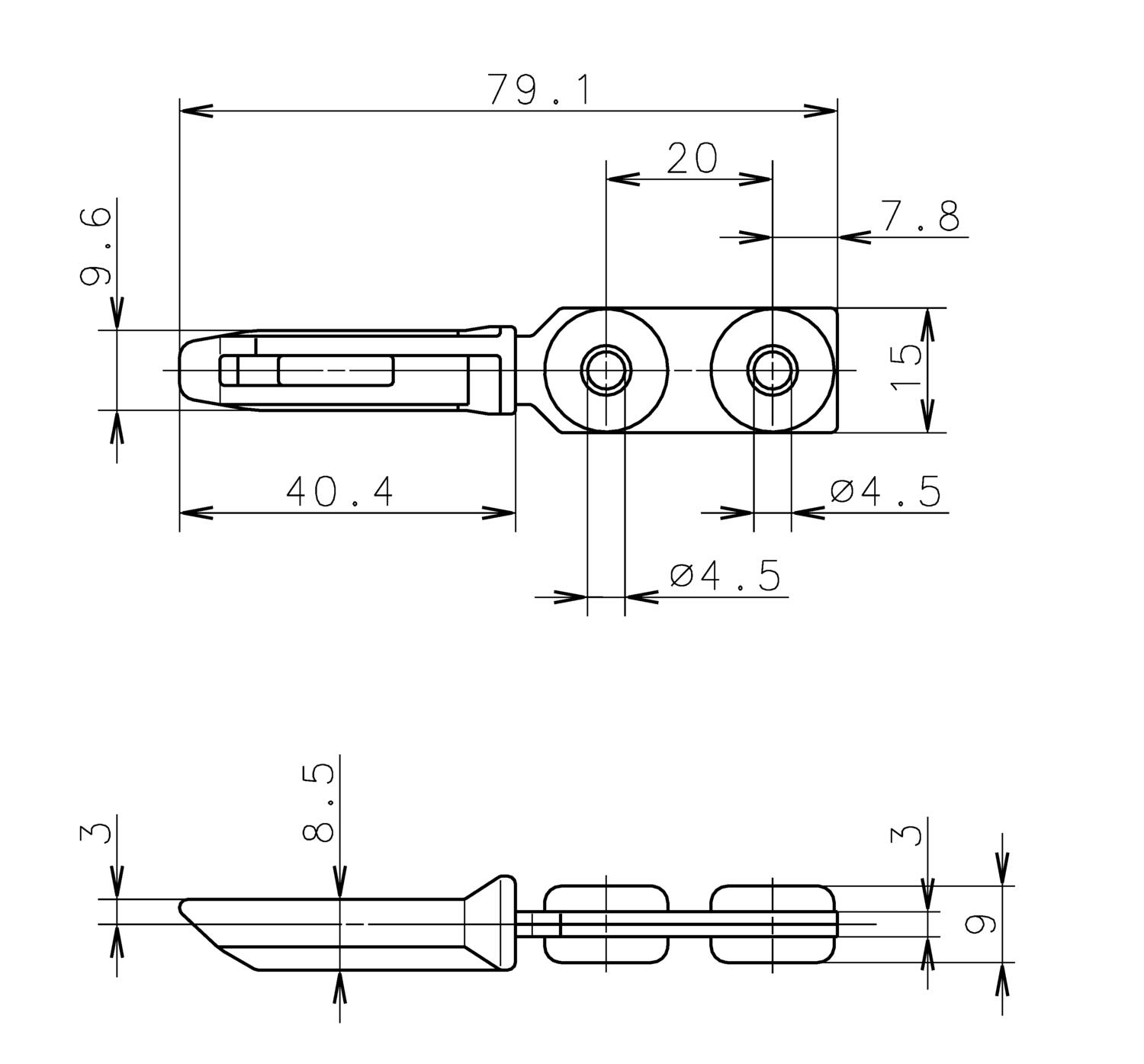
Measurements and connections

Technical illustrations

Product description

SLK safety position switches with interlock function are available in versions with spring force locking action and magnetic force locking action. The separate actuator is connected formfit with the safety guard. It transfers the locking force to the safety guard and monitors its position. Thanks to its triple coding, the separate actuator ensures a high degree of antitamper security.

 

The interlock facility in association with the SLK safety position switches is integrated in the switch enclosure. To lock the actuator in connection with a switching mechanism, the required interlock is achieved by means of a spring mechanism in the spring force locked version and by an electromagnet in the magnetic force locked version.

 

Actuator head positions

221951_728.tif

221952_728.tif

221922_728.tif


Note! Actuator sold separately.

 


Important! SLK safety switch with ERX emergency handle must be mounted outside of the danger zone. Only to be used in the case of emergency.

 

Accessories

Related products



Related

Articles Approvals B10d Cable entry Contact type IP Class Supply voltage Temperature range from Temperature range to
CCC, cCSAus, DGUV
2000000
3x M20x1,5
2 NO, 2 NC
IP67
24 V AC/DC
-25 °C
70 °C
CCC, cCSAus, DGUV
2000000
3x M20x1,5
1NO, 3 NC
IP67
24 V AC/DC
-25 °C
70 °C
CCC, cCSAus, DGUV
2000000
3x M20x1,5
2 NO, 2 NC
IP67
230/110 V AC
-25 °C
70 °C
CCC, cCSAus, DGUV
2000000
3x M20x1,5
2 NO, 2 NC
IP67
24 V AC/DC
-25 °C
70 °C
CCC, cCSAus, DGUV
2000000
3x M20x1,5
1NO, 3 NC
IP67
24 V AC/DC
-25 °C
70 °C
CCC, cCSAus, DGUV
2000000
3x M20x1,5
2 NO, 2 NC
IP67
230/110 V AC
-25 °C
70 °C
CCC, cCSAus, DGUV
2000000
3x M20x1,5
2 NO, 2 NC
IP67
24 V AC/DC
-25 °C
70 °C

Selected variant

Select a variant in the list

Contact us
Please contact us for more information.
Send e-mail
Do you need help?
Logo

Cookies on oem.ee

Cookies help us improve your experience with us, so in order to be able to handle login information, offer you personalised content and for basic functionality of this website, we use some cookies.

Functional cookies

These cookies are necessary for the website to work and can not be turned off in our systems. They are usually used only in response to actions you have taken in connection with a service request, for example when setting personal preferences, logging in or filling out a form.

Analytics cookies

These cookies allow us to count the number of visits and traffic sources so that we can measure and improve our website performance. They help us know which pages are more or less popular and how visitors navigate around the site. The information that these cookies collect is aggregated and therefore completely anonymous. If you do not allow these cookies, we do not know when you have visited our website.

Marketing cookies

These cookies can be added by our partners. They can use them to create a profile of you, based on your interests, to show you more relevant information. They do not store any personal information - only information about your browser and device. If you do not accept these cookies, you will have a more general and less customized user experience.