SCHAFFNER
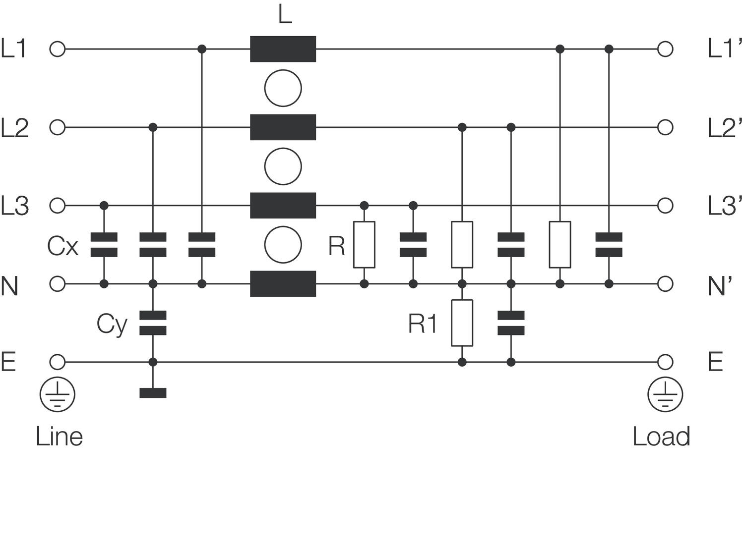
An extremely compact and light weight filter design with a "cubic“ shape, requiring minimum mounting space and thus taking the constructional conditions on the mains input of machinery into account.
Mainly industrial equipment, machinery, machine tools and diverse process auto- mation systems with three-phase and neutral electricity supply. Further, these filters are suitable for power supplies, high-power office equipment and further applications, where efficient interference suppression on three phases and the neutral line is required and where space is critical. Because of the very low leakage current, FN 3256 can even be used for some medical devices.
| Approvals | CSA 22.2 N°8 1986, EN60939, IEC 60939, UL 1283 |
|---|---|
| Connection Thread | Screw terminal |
| Flamklass | UL94-V2 |
| Frequenze | DC-60 Hz |
| High Potential Test Voltage "Hipot" | P->E 3000 V DC, 2 s. P->P 2250 V DC, 2 s. |
| IP Class | IP20 |
| Leakage Current Per Phase Max | 1 mA |
| MTBF (Mil-HB-217F) | >410000 h @ 50° C, 400 V AC |
|---|---|
| Operating Voltage Max | 520 V AC |
| Rated current at 50 °C | 8 A |
| Temperature range from | -25 °C |
| Temperature range to | 100 °C |
| Weight | 0.6 kg |
An extremely compact and light weight filter design with a "cubic“ shape, requiring minimum mounting space and thus taking the constructional conditions on the mains input of machinery into account.
Mainly industrial equipment, machinery, machine tools and diverse process auto- mation systems with three-phase and neutral electricity supply. Further, these filters are suitable for power supplies, high-power office equipment and further applications, where efficient interference suppression on three phases and the neutral line is required and where space is critical. Because of the very low leakage current, FN 3256 can even be used for some medical devices.
Thanks to their loop design, LOOP heating elements offer excellent heating performance and ensure optimal heat distribution. Read more now!
TER - Tecno Elettrica Ravasi, is our Italian supplier specializing in the manufacture of control stations. TER has over 60 years of experience in the manufacture of control stations.
PISA-M is a 4-channel electronic fuse for 12 and 24 V DC systems. The smallest 4-channel electronic fuse with a width of only 22.5 mm!
Delcon's CRA5 plug-in relay revolutionizes the control of difficult-to-handle DC loads. Inductive loads, frequent switching, and high DC voltages are a piece of cake for these relays.
The Lütze LOCC-Box is an intelligent electronic overcurrent protection device that provides reliable protection for 12/24 V DC systems in a narrow housing measuring just 8.1 mm. Integrated + and - terminals save space on the DIN rail.
DF Electric is specialized in the manufacturing of fuse links, fuse holders and control transformers since 1987. Presently the company is leading the Spanish market and is also very active in many export markets due to its competitive range of products.
|
|
|
|
|
|
||
|---|---|---|---|---|---|---|
|
|
|
|
|
|
||
|
|
|
|
|
|
||
|
|
|
|
|
|
||
|
|
|
|
|
|
||
|
|
|
|
|
|
||
|
|
|
|
|
|
| Articles | Rated current at 50 °C | Weight | ||
|---|---|---|---|---|
|
FILTER. 3-PHASE+N 8 A TERMINAL
Art:
FN3256H-8-29
Copied
|
8 A
|
0.6 kg
|
| |
|
FILTER. 3-PHASE+N 16A. TERMINAL
Art:
FN3256H-16-29
Copied
|
16 A
|
0.7 kg
|
| |
|
FILTER. 3-PHASE+N 25A. TERMINAL
Art:
FN3256H-25-33
Copied
|
25 A
|
1.1 kg
|
| |
|
FILTER. 3-PHASE+N 36A. TERMINAL
Art:
FN3256H-36-33
Copied
|
36 A
|
1.2 kg
|
| |
|
FILTER. 3-PHASE+N 64A. TERMINAL
Art:
FN3256H-64-34
Copied
|
64 A
|
2.3 kg
|
| |
|
FILTER. 3-PHASE+N 80A. TERMINAL
Art:
FN3256H-80-35
Copied
|
80 A
|
3.5 kg
|
| |
|
FILTER. 3-PHASE+N 120A. TERMINAL
Art:
FN3256H-120-35
Copied
|
120 A
|
4.7 kg
|
| |
|
FILTER. 3-PHASE+N 160A. TERMINAL
Art:
FN3256H-160-40
Copied
|
160 A
|
5.7 kg
|
|
Select a variant in the list