PULS

FIEPOS Basic

3x 380-480 V AC/24-28 V DC, 300 and 500 W

The FPS300 is an industrial grade power supply for single-phase networks and is incorporated in to a rugged wall-mount housing with IP65/67 protection.

It provides one floating, stabilized SELV/PELV output, which is galvanically separated from the input.

In case of an overload or load failure, the output offers hiccup-mode.

The most outstanding features of the FPS series are the compact size, the wide operational temperature range, the low input inrush current and the extremely high efficiencies, which are achieved by various technological design technologies.

Read more
  • IP54 or IP65/IP67
  • Efficiency >95%
  • Output power 360/600 W
  • 600/1000 Wpeak 5s
  • IO-Link or DC-OK relay

Selected variant

Selected variant

Specifications

Number of phases 3
Input voltage AC 380-480
Input voltage ac min 323 V AC
Input voltage ac max 552 V AC
Inrush current at 400 V ac typical 2 A
Power Factor at 400 V AC, full load. Typical 0.9
Supply Frequency 50-60 Hz ±6 %
Power consumption at 400 V ac 0.5 A
Output voltage 24 V DC
Output voltage min 24 V DC
Output voltage max 24 V DC
Output Current 12.5 A
Output current max 25 A
Effect 300 W
Total output power <+45°C 360 W
Total output power <+55°C 300 W
Total output power <+70°C 150 W
Total output power <1 s 640 W
Total output power <1 min 484 W
Total output power <5 s, <+55°C 600 W
Power drop from +55 °C to + 70 °C 10 W/°C
Ripple. max 100 mV pp
Temperature Range Without Derating From -25 °C
Temperature Range Without Derating To 55 °C
Back-feeding loads 35V / 4,3 J
Efficiency At 400 V AC. Typical 93.6 %
Efficiency At 400 V AC, full load. Typical 95 %
Lifetime at 400 V ac, full load and +40 ° C 235000 h
MTBF (IEC 61709) 400 V ac, max loan, +40 °C 838000 h
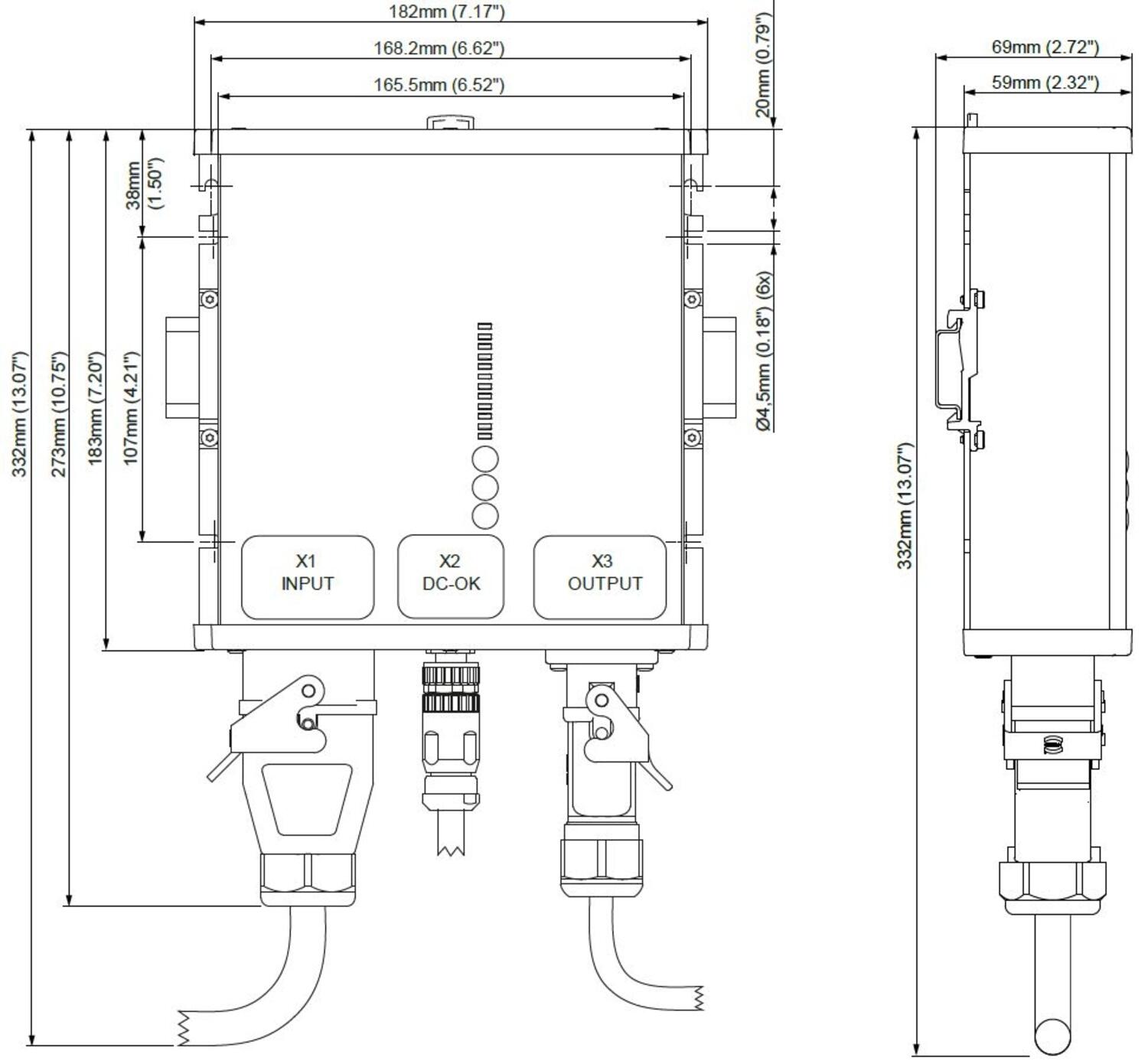
Width 182 mm
Height 183 mm
Depth 59 mm
Weight 1.2 kg
Output connectors 1x HAN Q4/0
DC-OK/IO-link connector M12-A
Input connector HAN Q4/2
Series FIEPOS Basic
Approvals CB, CE, cULus
DC relay output Yes
IO-LINK No
Material Protection Aluminium
Hold-up time at 400 V AC, full load. Typical. 25 ms
IP Class IP65, IP67
Active Transient Yes

Measurements and connections

Technical illustrations

Product description

The FPS300 is an industrial grade power supply for single-phase networks and is incorporated in to a rugged wall-mount housing with IP65/67 protection.

It provides one floating, stabilized SELV/PELV output, which is galvanically separated from the input.

In case of an overload or load failure, the output offers hiccup-mode.

The most outstanding features of the FPS series are the compact size, the wide operational temperature range, the low input inrush current and the extremely high efficiencies, which are achieved by various technological design technologies.

Accessories

Related products

Related

Fiepos
Product news

Fiepos — The power supply of the future

The need for flexible, modular systems shapes machine and system engineering. Decentralization of the system components has proven to be an important factor for success.

PULS Piano PIC
Product news

The recognized Puls quality for an attractive price

The PIANO PIC series is designed for applications that require reliable DIN rail power supplies, which are focused to deliver the most widely required customer functionalities. Our PIC units offer this simplicity without making compromises on PULS’ renowned qualities; efficiency, service lifetime, reliability and size.

PULS redundant
Product news

Redundant systems without redundancy modules

With the CP series, PULS offers a unique feature: Power supplies with an integrated decoupling function based on efficient MOSFET technology. This means there is no need for additional redundancy modules in 1+1 and n+1 redundant systems.

Product news

DF Electric – new supplier for fuse solutions

DF Electric is specialized in the manufacturing of fuse links, fuse holders and control transformers since 1987. Presently the company is leading the Spanish market and is also very active in many export markets due to its competitive range of products.

LOCC-Box Mini
Product news

LOCC-Box Mini

The Lütze LOCC-Box is an intelligent electronic overcurrent protection device that provides reliable protection for 12/24 V DC systems in a narrow housing measuring just 8.1 mm. Integrated + and - terminals save space on the DIN rail.

Product news

Push-In sockets that save both time and space

ComatReleco has launched a new series of push-in sockets specifically designed for time and space savings.

Articles Output voltage Input voltage AC Effect Output Current
24 V DC
380-480
300 W
12.5 A
24 V DC
380-480
500 W
20.8 A
24 V DC
380-480
500 W
20.8 A
24 V DC
380-480
500 W
20.8 A

Selected variant

Select a variant in the list

Contact us
Please contact us for more information.
Send e-mail
Do you need help?
Logo

Cookies on oem.ee

Cookies help us improve your experience with us, so in order to be able to handle login information, offer you personalised content and for basic functionality of this website, we use some cookies.

Functional cookies

These cookies are necessary for the website to work and can not be turned off in our systems. They are usually used only in response to actions you have taken in connection with a service request, for example when setting personal preferences, logging in or filling out a form.

Analytics cookies

These cookies allow us to count the number of visits and traffic sources so that we can measure and improve our website performance. They help us know which pages are more or less popular and how visitors navigate around the site. The information that these cookies collect is aggregated and therefore completely anonymous. If you do not allow these cookies, we do not know when you have visited our website.

Marketing cookies

These cookies can be added by our partners. They can use them to create a profile of you, based on your interests, to show you more relevant information. They do not store any personal information - only information about your browser and device. If you do not accept these cookies, you will have a more general and less customized user experience.