PULS

Redundant module 20 A Dimension Series

12-28 V DC, 2x10 A

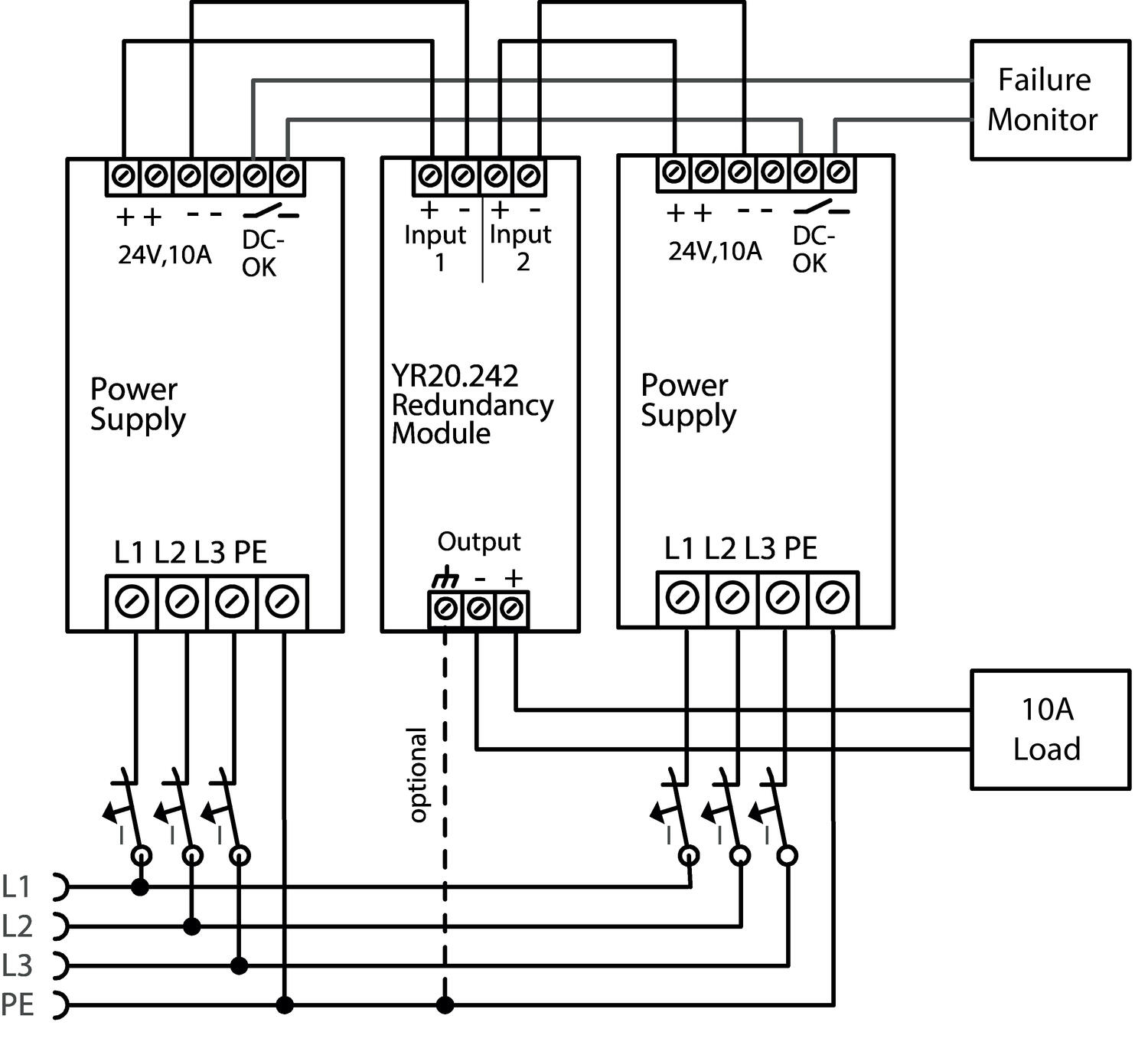
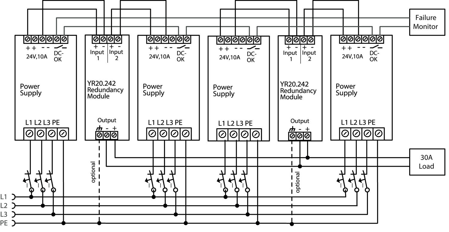
The YR20.242 is a redundancy module for building redundant power supply systems. It is equipped with

two input channels and one output. The two inputs are decoupled by MOSFET technology.

 

In addition to the YR20.242, the YR20.246 is available which is featured with an automated load sharing

between the connected power supplies and functions which monitor defects in the redundancy circuit or too

high output currents, which could prevent redundancy, if one power supply fails.

 

The YR20.242 utilizes MOSFETs instead of diodes for the decoupling of the two input channels. This reduces the heat generation and the voltage drop between input and output. The redundancy module does not require an additional auxiliary voltage.

 

Due to the low power losses, the unit is very slender and only requires 32mm width on the DIN-rail. Large

connection terminals allow for a safe and fast installation. The large international approval package makes this unit suitable for nearly every application.

Read more
  • For N+1 and 1+1 Redundant Systems
  • MOSFET transistors
  • Minimum power loss

Selected variant

PULS_yr20_242_R_300dpi_utan_din_skena.jpg

Redundancy Module 2 x 12-28V dc 10A I/P 12-28V dc 20A O/P

Art:

Selected variant

Specifications

Input voltage DC 12-28 V
Input voltage dc min 8.4 V DC
Input voltage dc max 36.4 V DC
Input current per channel max 20 A
Input current at continuous overload or short circuit max 2x24 A
Type Power Supply Redundancy modules
Output voltage 24 V DC
Output Current 20 A
Output current max 26 A
Temperature Range Without Derating From -40 °C
Temperature Range Without Derating To 70 °C
Life span 355000 h @ 2x 20 A, 24 V DC, 40 °C
MTBF (IEC 61709) 7895000 h @ 2x 20 A, 24 V DC, 40 °C
Width 32 mm
Height 124 mm
Depth 127 mm
Weight 0.25 kg
Series Dimension Y
Approvals ATEX, CB, CE, CSA, CSA US, UL
Material Protection Aluminium
IP Class IP20
Voltage Drop Over The Semi-Conductor 110 mV

Product description

The YR20.242 is a redundancy module for building redundant power supply systems. It is equipped with

two input channels and one output. The two inputs are decoupled by MOSFET technology.

 

In addition to the YR20.242, the YR20.246 is available which is featured with an automated load sharing

between the connected power supplies and functions which monitor defects in the redundancy circuit or too

high output currents, which could prevent redundancy, if one power supply fails.

 

The YR20.242 utilizes MOSFETs instead of diodes for the decoupling of the two input channels. This reduces the heat generation and the voltage drop between input and output. The redundancy module does not require an additional auxiliary voltage.

 

Due to the low power losses, the unit is very slender and only requires 32mm width on the DIN-rail. Large

connection terminals allow for a safe and fast installation. The large international approval package makes this unit suitable for nearly every application.

Accessories

Related products

Related

Fiepos
Product news

Fiepos — The power supply of the future

The need for flexible, modular systems shapes machine and system engineering. Decentralization of the system components has proven to be an important factor for success.

PULS Piano PIC
Product news

The recognized Puls quality for an attractive price

The PIANO PIC series is designed for applications that require reliable DIN rail power supplies, which are focused to deliver the most widely required customer functionalities. Our PIC units offer this simplicity without making compromises on PULS’ renowned qualities; efficiency, service lifetime, reliability and size.

PULS redundant
Product news

Redundant systems without redundancy modules

With the CP series, PULS offers a unique feature: Power supplies with an integrated decoupling function based on efficient MOSFET technology. This means there is no need for additional redundancy modules in 1+1 and n+1 redundant systems.

TER - control stations
Product news

Quality solutions for motion controls

TER - Tecno Elettrica Ravasi, is our Italian supplier specializing in the manufacture of control stations. TER has over 60 years of experience in the manufacture of control stations.

Stego Loop Heater lämmityselementit
Product news

LOOP Heater for optimal heat distribution

Thanks to their loop design, LOOP heating elements offer excellent heating performance and ensure optimal heat distribution. Read more now!

PISA-M
Product news

Compact electronic overcurrent protection PISA-M

PISA-M is a 4-channel electronic fuse for 12 and 24 V DC systems. The smallest 4-channel electronic fuse with a width of only 22.5 mm!

Contact us
Please contact us for more information.
Send e-mail
Do you need help?
Logo

Cookies on oem.ee

Cookies help us improve your experience with us, so in order to be able to handle login information, offer you personalised content and for basic functionality of this website, we use some cookies.

Functional cookies

These cookies are necessary for the website to work and can not be turned off in our systems. They are usually used only in response to actions you have taken in connection with a service request, for example when setting personal preferences, logging in or filling out a form.

Analytics cookies

These cookies allow us to count the number of visits and traffic sources so that we can measure and improve our website performance. They help us know which pages are more or less popular and how visitors navigate around the site. The information that these cookies collect is aggregated and therefore completely anonymous. If you do not allow these cookies, we do not know when you have visited our website.

Marketing cookies

These cookies can be added by our partners. They can use them to create a profile of you, based on your interests, to show you more relevant information. They do not store any personal information - only information about your browser and device. If you do not accept these cookies, you will have a more general and less customized user experience.