PULS

Redundant modules 40 and 80 A Dimension Series

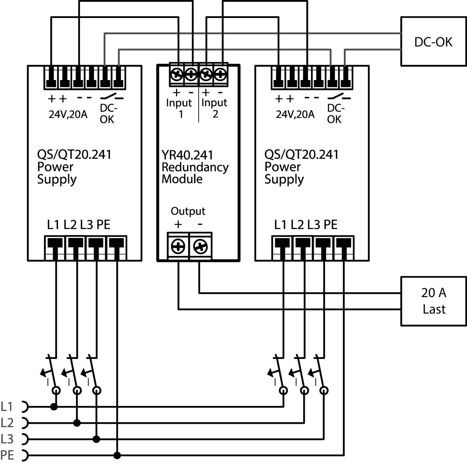
Redundant modules have MOSFET transistors instead of diodes, resulting in lower heat dissipation and voltage drop. Thanks to the MOSFET technology, the modules can be made very compact.
Redundant modules have two separate entrances, each of which can be loaded with half the output current instance. 40 A module can handle up to 20 A per input.
With redundant modules from Pulse, you get a secure system against internal power supply faults which are particularly suitable in processes where downtime is costly.
Redundant module can also be used in systems where you want to ensure the operation of sensitive loads. Input 1 is connected to the main power supply that normally supplies loads directly and eg PLC via redundant module output. Input 2 is connected to a smaller unit that is only connected to the sensitive load via the output, in this case the PLC. In case of failure of the main unit or short circuit at the loads going PLC supplied by the smaller unit and avoids incorrect processavslut. Redundant module is also suitable when you want to separate the power supply units from the loads to avoid returned voltage, for example, from motors and batteries.

 

Read more
  • 40 and 80 A
  • MOSFET transistors
  • Minimum power loss
  • Compact dimensions

Selected variant

Selected variant

Specifications

Input voltage DC 12-28 V
Input voltage dc min 8.4 V DC
Input voltage dc max 36.4 V DC
Input current per channel max 20 A
Input current at continuous overload or short circuit max 2x32,5 A
Type Power Supply Redundancy modules
Output voltage 24 V DC
Output Current 40 A
Output current max 65 A
Temperature Range Without Derating From -40 °C
Temperature Range Without Derating To 70 °C
Life span 246000 h @ 2x 20 A, 24 V DC, 40 °C
MTBF (IEC 61709) 2706000 h @ 2x 20 A, 24 V DC, 40 °C
Width 36 mm
Height 124 mm
Depth 127 mm
Weight 0.34 kg
Series Dimension Y
Approvals ABS, ATEX, CB, CE, CSA, CSA US, GL, IECEx, UL
Material Protection Aluminium
IP Class IP20
Voltage Drop Over The Semi-Conductor 140 mV

Product description

Redundant modules have MOSFET transistors instead of diodes, resulting in lower heat dissipation and voltage drop. Thanks to the MOSFET technology, the modules can be made very compact.
Redundant modules have two separate entrances, each of which can be loaded with half the output current instance. 40 A module can handle up to 20 A per input.
With redundant modules from Pulse, you get a secure system against internal power supply faults which are particularly suitable in processes where downtime is costly.
Redundant module can also be used in systems where you want to ensure the operation of sensitive loads. Input 1 is connected to the main power supply that normally supplies loads directly and eg PLC via redundant module output. Input 2 is connected to a smaller unit that is only connected to the sensitive load via the output, in this case the PLC. In case of failure of the main unit or short circuit at the loads going PLC supplied by the smaller unit and avoids incorrect processavslut. Redundant module is also suitable when you want to separate the power supply units from the loads to avoid returned voltage, for example, from motors and batteries.

 

Accessories

Related products

Related

Fiepos
Product news

Fiepos — The power supply of the future

The need for flexible, modular systems shapes machine and system engineering. Decentralization of the system components has proven to be an important factor for success.

PULS Piano PIC
Product news

The recognized Puls quality for an attractive price

The PIANO PIC series is designed for applications that require reliable DIN rail power supplies, which are focused to deliver the most widely required customer functionalities. Our PIC units offer this simplicity without making compromises on PULS’ renowned qualities; efficiency, service lifetime, reliability and size.

PULS redundant
Product news

Redundant systems without redundancy modules

With the CP series, PULS offers a unique feature: Power supplies with an integrated decoupling function based on efficient MOSFET technology. This means there is no need for additional redundancy modules in 1+1 and n+1 redundant systems.

TER - control stations
Product news

Quality solutions for motion controls

TER - Tecno Elettrica Ravasi, is our Italian supplier specializing in the manufacture of control stations. TER has over 60 years of experience in the manufacture of control stations.

Stego Loop Heater lämmityselementit
Product news

LOOP Heater for optimal heat distribution

Thanks to their loop design, LOOP heating elements offer excellent heating performance and ensure optimal heat distribution. Read more now!

PISA-M
Product news

Compact electronic overcurrent protection PISA-M

PISA-M is a 4-channel electronic fuse for 12 and 24 V DC systems. The smallest 4-channel electronic fuse with a width of only 22.5 mm!

Articles Output voltage Input voltage DC Output Current
24 V DC
12-28 V
40 A
24 V DC
12-28 V
40 A
24 V DC
12-28 V
80 A
24 V DC
12-28 V
80 A

Selected variant

Select a variant in the list

Contact us
Please contact us for more information.
Send e-mail
Do you need help?
Logo

Cookies on oem.ee

Cookies help us improve your experience with us, so in order to be able to handle login information, offer you personalised content and for basic functionality of this website, we use some cookies.

Functional cookies

These cookies are necessary for the website to work and can not be turned off in our systems. They are usually used only in response to actions you have taken in connection with a service request, for example when setting personal preferences, logging in or filling out a form.

Analytics cookies

These cookies allow us to count the number of visits and traffic sources so that we can measure and improve our website performance. They help us know which pages are more or less popular and how visitors navigate around the site. The information that these cookies collect is aggregated and therefore completely anonymous. If you do not allow these cookies, we do not know when you have visited our website.

Marketing cookies

These cookies can be added by our partners. They can use them to create a profile of you, based on your interests, to show you more relevant information. They do not store any personal information - only information about your browser and device. If you do not accept these cookies, you will have a more general and less customized user experience.