CROUZET CONTROL

Speed monitoring relay HSV

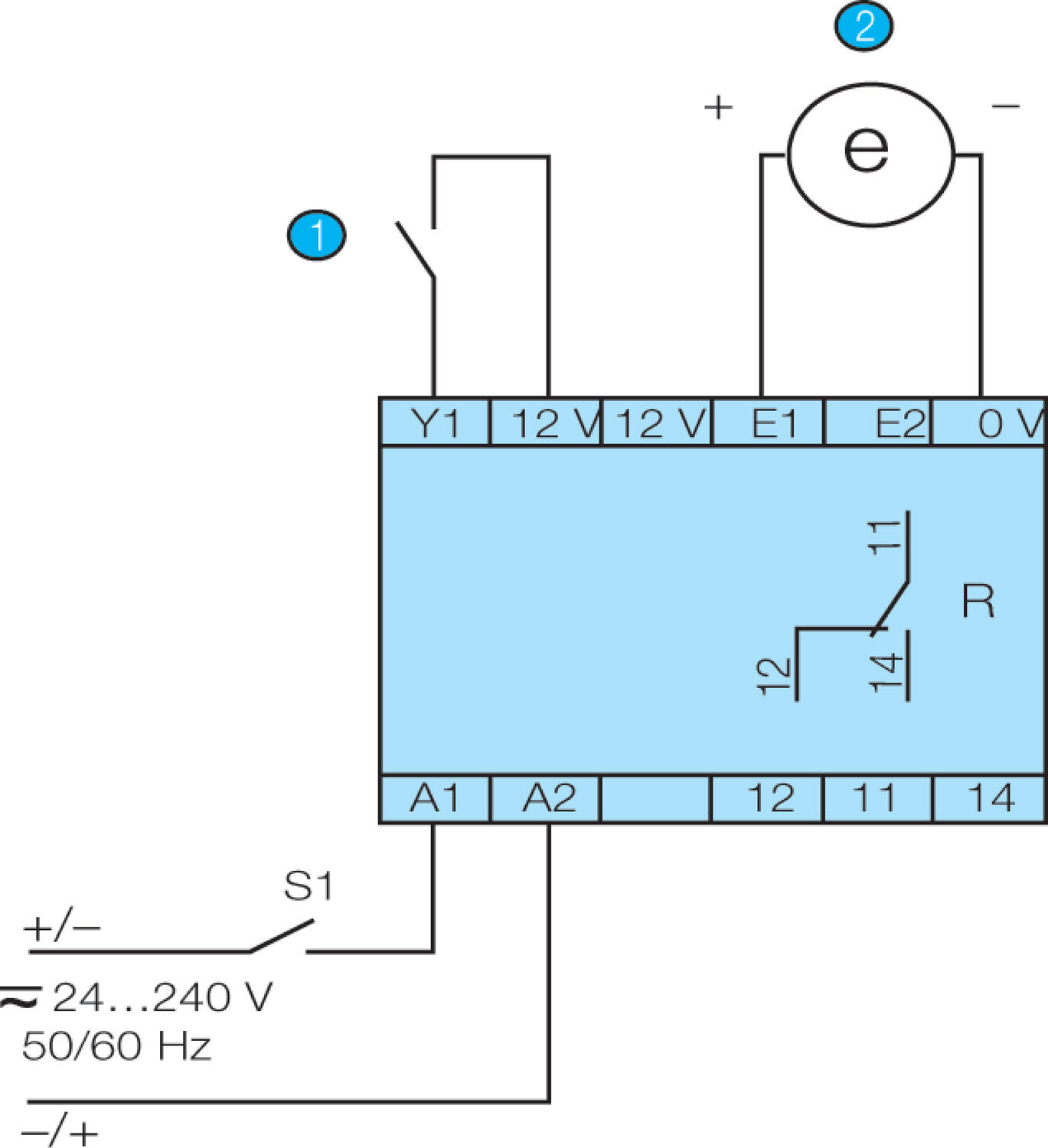
Control relay HSV monitors speed (or rather revolutions/frequency) in processes, such as for assembly lines and conveyors, using digital:

- Limit value sensors with three conductors PNP or NPN

- Voltage inputs, 0-30 V

- Limit value sensors, NAMUR

- Floating contacts

The relay can be used to monitor too high or low speeds.

Measurement: That which is measured in the monitored process is a result of pulses consisting of a signal with two positions – high and low. Speed control is accomplished by measuring the period time in this signal, beginning with the first position change that can be detected (rising or falling flank). Thanks to the digital signal processing, the differences between different signals are no problem.

When the power is connected or when the sensor signal is received, signal detection (characterisation) requires that one or more periods be processed (maximum of two). During this time, the control is not operable.

Using the switch at the front, one of four positions is selected:

- Under-speed without memory

- Under-speed with memory

- Over-speed without memory

- Over-speed with memory

If the switch is in one of three intermediate positions (between “under-speed without memory” and “over-speed without memory”) when power is connected, the relay remains in standby mode (“alarm”) and the fault is indicated by the three LEDs rapidly flashing. The function mode switch's position is registered when power is connected. If the position is changed during operation, the function is not affected. The active mode can be different from that indicated by the switch; the relay functions normally but the change is indicated by the three LEDs flashing simultaneously.

Memory: The function position “with memory” causes the relay to lock in standby (alarm mode) when a fault is detected. When the speed returns to normal, the relay can be reset by closing contact S2 (for at least 50 ms).

As long as S2 is closed, the relay is blocked with the relay output in the operating position (“normal mode”) regardless of the speed in the monitored process. If the speed is still incorrect when the S2 contact is re-opened, the relay opens (drops out) again in the standby mode (“alarm mode”). The relay can also be reset by disconnecting and connecting the supply voltage (the interruption must be at least 1500 ms). If the process speed is incorrect, this alternative is limited in the same way as when resetting S2.

 

Read more
  • Monitors over-/under-speed
  • Adjustable between 0.05 s and 10 min
  • Adjustable start time delay 0.6-30 s
  • Signal from four sensor alternatives

Selected variant

Control relay

HSV SPEED CONTROL RELAY

Art:

Selected variant

Specifications

Approvals CSA, GL, RoHS, UL
Breaking capacity 5A, 250V AC/DC
IP Class Connection IP20
IP Class Housing IP30
Output Relay 1 pole C/O
Recovery Time Min 50 ms
Supply voltage 24-240V AC/DC
Temperature range bearing, from -40 °C
Temperature range bearing, to 70 °C
Temperature range from -20 °C
Temperature range to 50 °C
Time Delay Start 0,6-30s
Time Range 0,5s, 1s, 5s, 10s, 1min, 5min. och 10min
Weight 120 g

Measurements and connections

Product description

Control relay HSV monitors speed (or rather revolutions/frequency) in processes, such as for assembly lines and conveyors, using digital:

- Limit value sensors with three conductors PNP or NPN

- Voltage inputs, 0-30 V

- Limit value sensors, NAMUR

- Floating contacts

The relay can be used to monitor too high or low speeds.

Measurement: That which is measured in the monitored process is a result of pulses consisting of a signal with two positions – high and low. Speed control is accomplished by measuring the period time in this signal, beginning with the first position change that can be detected (rising or falling flank). Thanks to the digital signal processing, the differences between different signals are no problem.

When the power is connected or when the sensor signal is received, signal detection (characterisation) requires that one or more periods be processed (maximum of two). During this time, the control is not operable.

Using the switch at the front, one of four positions is selected:

- Under-speed without memory

- Under-speed with memory

- Over-speed without memory

- Over-speed with memory

If the switch is in one of three intermediate positions (between “under-speed without memory” and “over-speed without memory”) when power is connected, the relay remains in standby mode (“alarm”) and the fault is indicated by the three LEDs rapidly flashing. The function mode switch's position is registered when power is connected. If the position is changed during operation, the function is not affected. The active mode can be different from that indicated by the switch; the relay functions normally but the change is indicated by the three LEDs flashing simultaneously.

Memory: The function position “with memory” causes the relay to lock in standby (alarm mode) when a fault is detected. When the speed returns to normal, the relay can be reset by closing contact S2 (for at least 50 ms).

As long as S2 is closed, the relay is blocked with the relay output in the operating position (“normal mode”) regardless of the speed in the monitored process. If the speed is still incorrect when the S2 contact is re-opened, the relay opens (drops out) again in the standby mode (“alarm mode”). The relay can also be reset by disconnecting and connecting the supply voltage (the interruption must be at least 1500 ms). If the process speed is incorrect, this alternative is limited in the same way as when resetting S2.

 

Accessories

Related

Contact us
Please contact us for more information.
Send e-mail
Do you need help?
Logo

Cookies on oem.ee

Cookies help us improve your experience with us, so in order to be able to handle login information, offer you personalised content and for basic functionality of this website, we use some cookies.

Functional cookies

These cookies are necessary for the website to work and can not be turned off in our systems. They are usually used only in response to actions you have taken in connection with a service request, for example when setting personal preferences, logging in or filling out a form.

Analytics cookies

These cookies allow us to count the number of visits and traffic sources so that we can measure and improve our website performance. They help us know which pages are more or less popular and how visitors navigate around the site. The information that these cookies collect is aggregated and therefore completely anonymous. If you do not allow these cookies, we do not know when you have visited our website.

Marketing cookies

These cookies can be added by our partners. They can use them to create a profile of you, based on your interests, to show you more relevant information. They do not store any personal information - only information about your browser and device. If you do not accept these cookies, you will have a more general and less customized user experience.