CROUZET CONTROL
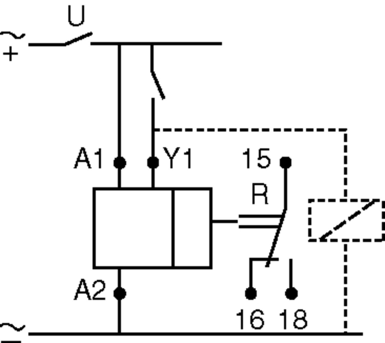
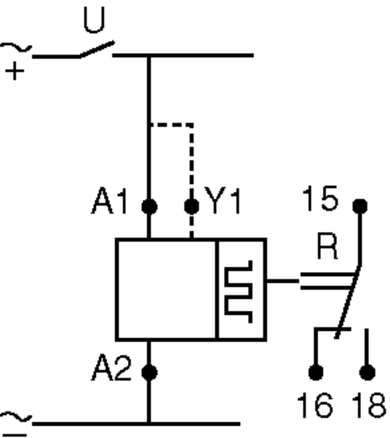
Chronos 2 series timer relays for DIN rail mounting with screw terminal connections and these versions have 1 x relay outputs with 8A rated changeover contacts in a 17.5mm wide housing.
Time range is adjustable (in sub ranges) from 0.1 sec to 100 hours using a selector switch and potentiometer on the front face of the device.
The most common supply voltage requirements are covered by the standard units but there are also special versions that offer additional supply voltage options if required.
Some units are single function and some are multi function with the required timing function set by a selector switch on the front face of the device. The available timing functions are defined by a set of letter codes that is common across the whole Crouzet range.
| Approvals | CE, Lloyd´s, RoHS, UL | 
|---|---|
| Breaking capacity | 2000 VA / 80W | 
| Cable Area With Sleeve | 2 x 1,5 mm² | 
| Cable Area Without Sleeve | 2 x 2,5 mm² | 
| Function | A - Delay on energisation, Ac - Timing after closing and opening of control contact, At - Timing on energisation with memory, B - Timing on impulse (one shot), Bw - Pulse output (adjustable), C - Timing after impulse, D - Symmetrical flashing, Di - Symmetrical flashing, H - Timing on energisation - pulse output, Ht - Delay on energisation with memory | 
| IP Class Connection | IP20 | 
| IP Class Front | IP50 | 
| Mounting | DIN rail | 
| Multifunction | Yes | 
| Output | Relay 1 pole C/O | 
| Power Consumption | 0.6 W | 
| Repeatability | 0.5 % | 
|---|---|
| Response Closing | 30 ms | 
| Response From Stroke | 120 ms | 
| Supply voltage | 12-240V AC/DC | 
| Switching Current Max | 8 A | 
| Temperature range bearing, from | -30 °C | 
| Temperature range bearing, to | 60 °C | 
| Temperature range from | -20 °C | 
| Temperature range to | 60 °C | 
| Time Range | 0,1-1s, 1-10s, 6-60s, 1-10min, 6-60min, 1-10h, 10-100h | 
Chronos 2 series timer relays for DIN rail mounting with screw terminal connections and these versions have 1 x relay outputs with 8A rated changeover contacts in a 17.5mm wide housing.
Time range is adjustable (in sub ranges) from 0.1 sec to 100 hours using a selector switch and potentiometer on the front face of the device.
The most common supply voltage requirements are covered by the standard units but there are also special versions that offer additional supply voltage options if required.
Some units are single function and some are multi function with the required timing function set by a selector switch on the front face of the device. The available timing functions are defined by a set of letter codes that is common across the whole Crouzet range.
 
              Delcon's CRA5 plug-in relay revolutionizes the control of difficult-to-handle DC loads. Inductive loads, frequent switching, and high DC voltages are a piece of cake for these relays.
 
              ComatReleco has launched a new series of push-in sockets specifically designed for time and space savings.
 
              Crouzet has honoured the strong Syrelec time relay traditions established in the 1980s, first by Cronos and Cronos 2 series. Now, Crouzet presents the compact and extremely versatile Syr-Line series.
 
              Can you distinguish between a bifurcated contact and a normal contact at a glance?
 
              Thanks to their loop design, LOOP heating elements offer excellent heating performance and ensure optimal heat distribution. Read more now!
 
              TER - Tecno Elettrica Ravasi, is our Italian supplier specializing in the manufacture of control stations. TER has over 60 years of experience in the manufacture of control stations.
|  |  |  |  |  | ||
|---|---|---|---|---|---|---|
|  |  |  |  |  | ||
|  |  |  |  |  | ||
|  |  |  |  |  | ||
|  |  |  |  |  | ||
|  |  |  |  |  | ||
|  |  |  |  |  | 
| Articles | Function | Multifunction | Supply voltage | ||
|---|---|---|---|---|---|
|   
      
        TIMER MUR3 10-264VAC/DC
      
      
       
        Art:
         
          
            88827103
          
          Copied
         | 
            A - Delay on energisation, Ac - Timing after closing and opening of control contact, At - Timing on energisation with memory, B - Timing on impulse (one shot), Bw - Pulse output (adjustable), C - Timing after impulse, D - Symmetrical flashing, Di - Symmetrical flashing, H - Timing on energisation - pulse output, Ht - Delay on energisation with memory 
            
            
           | 
            Yes 
            
            
           | 
            12-240V AC/DC 
            
            
           |  | |
|   
      
        TIMER MUR1 20-30VDC:20-264VAC
      
      
       
        Art:
         
          
            88827105
          
          Copied
         | 
            A - Delay on energisation, Ac - Timing after closing and opening of control contact, At - Timing on energisation with memory, B - Timing on impulse (one shot), Bw - Pulse output (adjustable), C - Timing after impulse, D - Symmetrical flashing, Di - Symmetrical flashing, H - Timing on energisation - pulse output, Ht - Delay on energisation with memory 
            
            
           | 
            Yes 
            
            
           | 
            24V DC / 24-240V AC 
            
            
           |  | |
|   
      
        TIMER MAR1 20-30VDC:20-264VAC
      
      
       
        Art:
         
          
            88827115
          
          Copied
         | 
            A - Delay on energisation, At - Timing on energisation with memory 
            
            
           | 
            No 
            
            
           | 
            24V DC / 24-240V AC 
            
            
           |  | |
|   
      
        TIMER MBR1 20-30VDC:20-264VAC
      
      
       
        Art:
         
          
            88827125
          
          Copied
         | 
            B - Timing on impulse (one shot) 
            
            
           | 
            No 
            
            
           | 
            24V DC / 24-240V AC 
            
            
           |  | |
|   
      
        TIMER MCR1 20-30VDC:20-264VAC
      
      
       
        Art:
         
          
            88827135
          
          Copied
         | 
            C - Timing after impulse 
            
            
           | 
            No 
            
            
           | 
            24V DC / 24-240V AC 
            
            
           |  | |
|   
      
        TIMER MLR1 20-30VDC:20-264VAC
      
      
       
        Art:
         
          
            88827155
          
          Copied
         | 
            L - Asymmetrical flashing, Li - Asymmetrical flashing 
            
            
           | 
            No 
            
            
           | 
            24V DC / 24-240V AC 
            
            
           |  | |
|   
      
        TIMER MXR1 20-30VDC:20-264VAC
      
      
       
        Art:
         
          
            88827185
          
          Copied
         | 
            Ad - Delay on energisation (no reset), Ah - Single shot flip-flop (no reset), N - Safe-guard, O - Delayed safe-guard, P - Impulse counter (delay on 0.5s), Pt - Impulse counter (sum), TL - Impulse relay, Tt - Timed impulse relay, W - Timing after pulse on control contact 
            
            
           | 
            Yes 
            
            
           | 
            24V DC / 24-240V AC 
            
            
           |  | 
Select a variant in the list