SENSECA
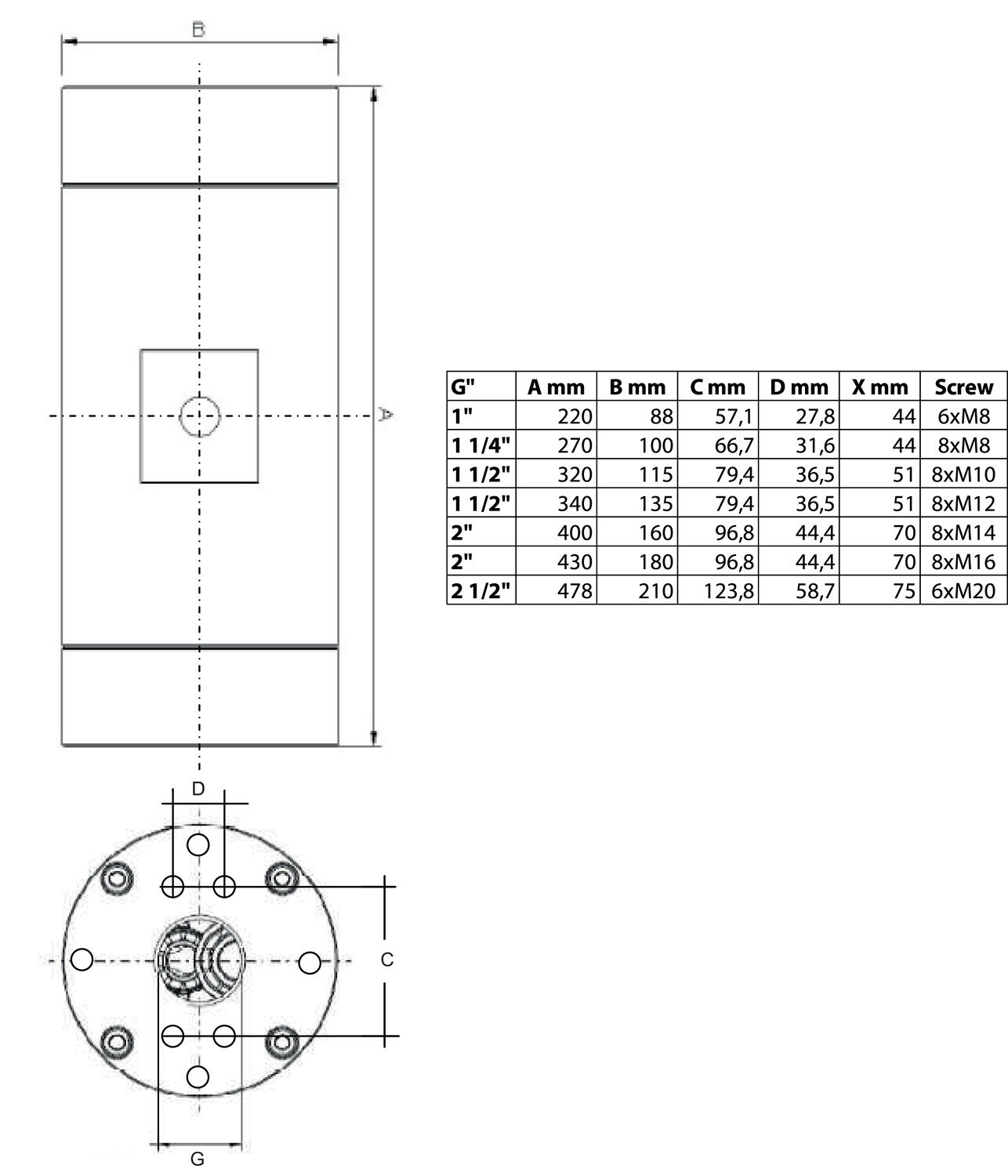
Model VHS is a screw flow sensor designed especially for applications with viscose media and high flows. Has high accuracy regardless of viscosity up to 40,000 cSt and maintains a low sound level under 50dB during operation. All mounting positions are possible and the direction of flow is independent of mounting position.
| Flow Max l/min Double | 200 l/min |
|---|---|
| Flow Range Max | 140 l/min |
| Flow Range Min | 1.4 l/min |
| IP Class | IP67 |
| Material of connection | Aluminium |
| Power Consumption | 19 mA |
| Pressure Range Max | 160 bar |
| Repeatability | 0.25 % |
| Temperature range of media from | -25 °C |
|---|---|
| Temperature range of media to | 80 °C |
| Weight | 3.44 kg |
| Viscosity Max | 40000 cSt |
| Voltage DC max | 30 V |
| Voltage DC min | 10 V |
Model VHS is a screw flow sensor designed especially for applications with viscose media and high flows. Has high accuracy regardless of viscosity up to 40,000 cSt and maintains a low sound level under 50dB during operation. All mounting positions are possible and the direction of flow is independent of mounting position.
Transtecno has developed the MiniTecno product range to better meet the needs of customers using small gear motors in a wide range of industries, up to 90 Nm.
WIKA's hygienic products take into account the high hygiene, cleaning, and durability requirements of the food and pharmaceutical industries. Read more!
Molex mPm valve plug cables are now also available with WSOR cables. Read more!
HARTING has introduced a new Push-In connection technology that can reduce assembly times by up to 30% and improve installation flexibility. Read more!
Constantly evolving applications place ever greater demands on user interfaces. A display for presenting information on the device itself is usually the most natural choice. Read more!
Comprising three parts, BoVersa can be extensively customized in terms of materials, such as metal and plastic, and colors. It is also easy to integrate various stylish display and keyboard solutions.
|
|
|
|
|
|
||
|---|---|---|---|---|---|---|
|
|
|
|
|
|
||
|
|
|
|
|
|
||
|
|
|
|
|
|
||
|
|
|
|
|
|
||
|
|
|
|
|
|
||
|
|
|
|
|
|
| Articles | Flow Max l/min Double | Flow Range Max | Flow Range Min | Weight | ||
|---|---|---|---|---|---|---|
|
Flow sensor, PNP, 1.4 - 140l/min, G1"
Art:
VHS025GAO0140B
Copied
|
200 l/min
|
140 l/min
|
1.4 l/min
|
3.44 kg
|
|
|
|
Flow sensor, PNP, 3.5 - 350l/min, G1.1/4"
Art:
VHS032GAO0350B
Copied
|
500 l/min
|
350 l/min
|
3.5 l/min
|
6.35 kg
|
|
|
|
Flow sensor, PNP, 8 - 800l/min, G1.1/2"
Art:
VHS040GAO0800B
Copied
|
1200 l/min
|
800 l/min
|
8 l/min
|
14.2 kg
|
|
|
|
Flow sensor, PNP, 15 - 1500l/min, G2"
Art:
VHS050GAO1500B
Copied
|
2200 l/min
|
1500 l/min
|
15 l/min
|
25 kg
|
|
|
|
Flow sensor, PNP, 25 - 2500l/min, G2.1/2"
Art:
VHS065GAO2500B
Copied
|
3800 l/min
|
2500 l/min
|
25 l/min
|
42.7 kg
|
|
|
|
Flow sensor, 4-20mA, 1.4 - 140l/min, G1"
Art:
VHS025GAO0140I
Copied
|
200 l/min
|
140 l/min
|
1.4 l/min
|
3.44 kg
|
|
|
|
Flow sensor, 4-20mA, 3.5 - 350l/min, G1.1/4"
Art:
VHS032GAO0350I
Copied
|
500 l/min
|
350 l/min
|
3.5 l/min
|
6.35 kg
|
|
|
|
Flow sensor, 4-20mA, 8 - 800l/min, G1.1/2"
Art:
VHS040GAO0800I
Copied
|
1200 l/min
|
800 l/min
|
8 l/min
|
14.2 kg
|
|
|
|
Flow sensor, 4-20mA, 15 - 1500l/min, G2"
Art:
VHS050GAO1500I
Copied
|
2200 l/min
|
1500 l/min
|
15 l/min
|
25 kg
|
|
|
|
Flow sensor, 4-20mA, 25 - 2500l/min, G2.1/2"
Art:
VHS065GAO2500I
Copied
|
3800 l/min
|
2500 l/min
|
25 l/min
|
42.7 kg
|
|
Select a variant in the list